Для студентов МАИ по предмету Теоретические основы электротехники (ТОЭ)расчетная работа по тоэ (Савостьянов)расчетная работа по тоэ (Савостьянов)
5,0052
2021-01-282021-01-28СтудИзба
Курсовая работа: расчетная работа по тоэ (Савостьянов)
Описание

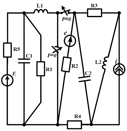
Элементы схемы имеют следующие параметры:E=4,2 В, Em=2 В, Im=0,15 А,, R1=85 Ом, R2=70 Ом, R3=95 Ом, R4=92 Ом, R5=49 Ом, L1=30 мГн, L2=40 мГн, C1=8,5 мкФ, C2=6,2 мкФ.
Характеристики курсовой работы
Учебное заведение
Семестр
Просмотров
46
Размер
653,04 Kb
Список файлов
Комментарии
Нет комментариев
Стань первым, кто что-нибудь напишет!
МАИ
vk_559697068
















