Ответы к заданиям: Теоретические основы электротехники

Описание

Ответы на тесты по курсу Теоретические основы электротехники 1.1 / ДОФ ТПУ

Список вопросов

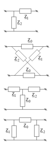
Определить характеристическое сопротивление ZC симметричного четырехполюсника, если Z1=j3 Ом, Z0=1 Ом.
Укажите соответствие между названиями и схемами соединения четырехполюсников.
Укажите величину (вводить цифру) сопротивления емкостного элемента для пятой гармоники, если для первой гармоники - XC(1)=50
Как изменяться токи цепи после замыкания ключа? Укажите правильный ответ.
Выберите один ответ:
Питающий генератор симметричен.
Напряжение симметричного источника
UAB = 380e j90 B,
Z = 100 Ом.
Определить модуль тока IC
Питающий генератор симметричен.
Напряжение симметричного источника
UAB = 220e j30 B,
Z = j12.7 Ом.
Определить значение модуля тока IC.
Дано: UAB = 380 B, Z = j22 Ом.
Звезда симметрична. Определить модуль тока IC
Верно ли утверждение, что ток нейтрального провода с нулевым сопротивлением в несимметричной трехфазной цепи не выравнивает фазные напряжения.
Выберите один ответ:
Фазные напряжения (напряжения приемника) - это напряжения между линейными проводами.
Выберите один ответ:
Верно ли утверждение, что если симметричная система трехфазный ЭДС питает симметричную нагрузку, то ток в нулевом проводе равен нулю.
Выберите один ответ:
Что покажет амперметр в представленной схеме (вводить цифру)
Верно ли утверждение, что при идеальном резонансе токов входной ток равен нулю.
Выберите один ответ:
Условие резонанса в заданной цепи:
Укажите номер схемы цепи, в которой возможен резонанс:
Верно ли утверждение, что при резонансе напряжений напряжения на реактивных элементах могут значительно превосходить по величине входное напряжение.
Выберите один ответ:
Укажите при каких условиях в линейной пассивной цепи, содержащей индуктивные и емкостные элементы, наступает резонанс :
Выберите один или несколько ответов:
Какую величину тока покажет амперметр при различном подключении катушек в представленной схеме:
Выберите один ответ:
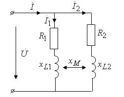
Степень магнитной связи индуктивно связанных катушек характеризует:
Выберите один ответ:
Если к первичной обмотке трансформатора подвести постоянное напряжение, то трансформатор работать не будет.
Выберите один ответ:
Индуктивно связанные катушки соединены параллельно. При неизменном входном напряжении больший входной ток I будет соответствовать согласному включению катушек
Выберите один ответ:
При последовательном соединении индуктивно связанных катушек величина эквивалентного полного сопротивления цепи при встречном включении меньше, чем при согласном включении.
Выберите один ответ:
Цепью с взаимной индуктивностью называются цепь, в которой есть :
Выберите один ответ:
Сопротивление индуктивности синусоидальному току при увеличении частоты тока
Выберите верное утверждение:
Выберите один ответ:
Действующее значение ЭДС определяется по формуле:
Выберите один ответ:
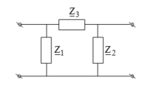
Сопротивления на рисунке соединены "звездой"

Выберите один ответ:
Укажите уравнение по методу эквивалентных преобразований для тока I2:
Укажите формулу для нахождения тока ветви, используя правило распределения токов в двух параллельных ветвях:
Укажите формулу преобразования "треугольника" в "звезду" сопротивлений:
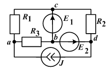
Укажите соответствие между уравнениями и потенциалами узлов предложенной схемы:
Укажите цифру, соответствующую числу уравнений по первому закону Кирхгофа, если схема имеет 6 узлов и 10 ветвей?
Правильно ли построена потенциальная диаграмма для цепи, изображенной на рисунке, если R1=10 Ом и R2=20 Ом, а напряжение между точками a и b равно 100 В.
Согласно теореме о линейных соотношениях зависимость между двумя токами (напряжениями) x и y при изменении одного из параметров (ЭДС, токисточника тока, сопротивление) в линейных цепях (a, b, c, d – постоянные коэффициенты) вычисляется по формуле?
Выберите один ответ:
Согласно определению принципа (теоремы) взаимности для линейной цепи с постоянными или синусоидальными токами, перемещение
Выберите один ответ:
У идеального источника тока внутреннее сопротивление равно бесконечности.
Выберите один ответ:
Верно ли утверждение:
Узел - это часть схемы, по которой протекает только один ток.
Выберите один ответ:
Укажите верное определение:
У идеального источника тока внутреннее сопротивление равно нулю
Выберите один ответ:
При постоянных напряжениях и токах напряжение емкостного элемента равно нулю.
Выберите один ответ:
К активным элементам цепи относят:
Выберите один или несколько ответов:
Выберите правильную запись закона Джоуля-Ленца:
Верно ли утверждение:
Узел - это точка схемы, к которой подходит не менее трех ветвей.
Выберите один ответ:
Каким должно быть напряжение, приложенное к емкости, чтобы вызвать в ней постоянный ток?
Выберите один ответ:
необратимо преобразуют электромагнитную энергию в тепло
Определить ток I1, если I3 = 6 А.
Сопротивления на схеме заданы в Омах.
Во сколько раз изменится ток на участке цепи, если напряжение на данном участке возрастет в 2 раза? (закон Ома)
Верно ли утверждение:
Напряжение на участке, к которому подключены два параллельно соединенные элемента электрической цепи, равно сумме напряжений на каждом из этих элементов. (да/нет)
Внутреннее сопротивление генератора (в методе эквивалентного генератора) равно эквивалентному сопротивлению цепи относительно зажимов ветви, в которой ищем ток.
Выберите один ответ:

Характеристики ответов (шпаргалок) к заданиям

Тип
Учебное заведение
Семестр
Просмотров
2
Качество
Идеальное компьютерное
Количество вопросов
Картинка-подпись
Если нужен другой вариант работы или отдельная задача из любой работы, пишите в комментарии

Комментарии

Нет комментариев
Стань первым, кто что-нибудь напишет!
Поделитесь ссылкой:
Цена: 240 руб.
Расширенная гарантия +3 недели гарантии, +10% цены
Рейтинг автора
5 из 5
Поделитесь ссылкой:
Сопутствующие материалы

Подобрали для Вас услуги

-13%
-20%
Вы можете использовать полученные ответы для подготовки к экзамену в учебном заведении и других целях, не нарушающих законодательство РФ и устав Вашего учебного заведения.
Свежие статьи
Популярно сейчас
А знаете ли Вы, что из года в год задания практически не меняются? Математика, преподаваемая в учебных заведениях, никак не менялась минимум 30 лет. Найдите нужный учебный материал на СтудИзбе!
Ответы на популярные вопросы
Да! Наши авторы собирают и выкладывают те работы, которые сдаются в Вашем учебном заведении ежегодно и уже проверены преподавателями.
Да! У нас любой человек может выложить любую учебную работу и зарабатывать на её продажах! Но каждый учебный материал публикуется только после тщательной проверки администрацией.
Вернём деньги! А если быть более точными, то автору даётся немного времени на исправление, а если не исправит или выйдет время, то вернём деньги в полном объёме!
Да! На равне с готовыми студенческими работами у нас продаются услуги. Цены на услуги видны сразу, то есть Вам нужно только указать параметры и сразу можно оплачивать.
Отзывы студентов
Ставлю 10/10
Все нравится, очень удобный сайт, помогает в учебе. Кроме этого, можно заработать самому, выставляя готовые учебные материалы на продажу здесь. Рейтинги и отзывы на преподавателей очень помогают сориентироваться в начале нового семестра. Спасибо за такую функцию. Ставлю максимальную оценку.
Лучшая платформа для успешной сдачи сессии
Познакомился со СтудИзбой благодаря своему другу, очень нравится интерфейс, количество доступных файлов, цена, в общем, все прекрасно. Даже сам продаю какие-то свои работы.
Студизба ван лав ❤
Очень офигенный сайт для студентов. Много полезных учебных материалов. Пользуюсь студизбой с октября 2021 года. Серьёзных нареканий нет. Хотелось бы, что бы ввели подписочную модель и сделали материалы дешевле 300 рублей в рамках подписки бесплатными.
Отличный сайт
Лично меня всё устраивает - и покупка, и продажа; и цены, и возможность предпросмотра куска файла, и обилие бесплатных файлов (в подборках по авторам, читай, ВУЗам и факультетам). Есть определённые баги, но всё решаемо, да и администраторы реагируют в течение суток.
Маленький отзыв о большом помощнике!
Студизба спасает в те моменты, когда сроки горят, а работ накопилось достаточно. Довольно удобный сайт с простой навигацией и огромным количеством материалов.
Студ. Изба как крупнейший сборник работ для студентов
Тут дофига бывает всего полезного. Печально, что бывают предметы по которым даже одного бесплатного решения нет, но это скорее вопрос к студентам. В остальном всё здорово.
Спасательный островок
Если уже не успеваешь разобраться или застрял на каком-то задание поможет тебе быстро и недорого решить твою проблему.
Всё и так отлично
Всё очень удобно. Особенно круто, что есть система бонусов и можно выводить остатки денег. Очень много качественных бесплатных файлов.
Отзыв о системе "Студизба"
Отличная платформа для распространения работ, востребованных студентами. Хорошо налаженная и качественная работа сайта, огромная база заданий и аудитория.
Отличный помощник
Отличный сайт с кучей полезных файлов, позволяющий найти много методичек / учебников / отзывов о вузах и преподователях.
Отлично помогает студентам в любой момент для решения трудных и незамедлительных задач
Хотелось бы больше конкретной информации о преподавателях. А так в принципе хороший сайт, всегда им пользуюсь и ни разу не было желания прекратить. Хороший сайт для помощи студентам, удобный и приятный интерфейс. Из недостатков можно выделить только отсутствия небольшого количества файлов.
Спасибо за шикарный сайт
Великолепный сайт на котором студент за не большие деньги может найти помощь с дз, проектами курсовыми, лабораторными, а также узнать отзывы на преподавателей и бесплатно скачать пособия.
Популярные преподаватели
Добавляйте материалы
и зарабатывайте!
Продажи идут автоматически
7248
Авторов
на СтудИзбе
247
Средний доход
с одного платного файла
Обучение Подробнее