Для студентов МГТУ им. Н.Э.Баумана по предмету Теоретическая механикаКолебания линейной системы с одной степенью свободыКолебания линейной системы с одной степенью свободы
4,97514418
2024-05-062025-02-11СтудИзба
Вариант 4 - Дз-2 "Колебания линейной системы с одной степенью свободы"
ДЗ 2: Колебания линейной системы с одной степенью свободы вариант 4
-43%
Описание
Типовой расчет по теоретической механике, "Колебания линейной системы с одной степенью свободы", + графики, зачтено
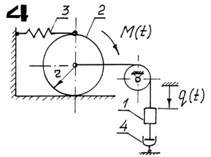
Условие:
Решение:
Показать/скрыть дополнительное описание
Условие:


Типовой расчет по теоретической механике МГТУ 4 семестр домашнее задание.
Характеристики домашнего задания
Предмет
Учебное заведение
Семестр
Номер задания
Вариант
Просмотров
17
Качество
Фото рукописных листов
Размер
1,89 Mb
Список файлов
Вариант 4 Колебания 904.pdf

Спасибо за покупку! Я буду очень рад, если поставишь справедливую оценку купленному файлу :3 Ищи больше работ в моём профиле, там много нужного тебе!