Для студентов МГТУ им. Н.Э.Баумана по предмету Теоретическая механикаКинематика точки и простейших движений твердого телаКинематика точки и простейших движений твердого тела
5,0052
2024-03-022024-09-03СтудИзба
ДЗ 1: Кинематика точки и простейших движений твердого тела вариант 21
-66%
Описание
Вариант 21 - ДЗ №1 - Кинематика точки и простейших движений твердого тела
Зачтено на максимальный балл 💥 💥 💥
Спасибо за покупку 🥰🥰🥰
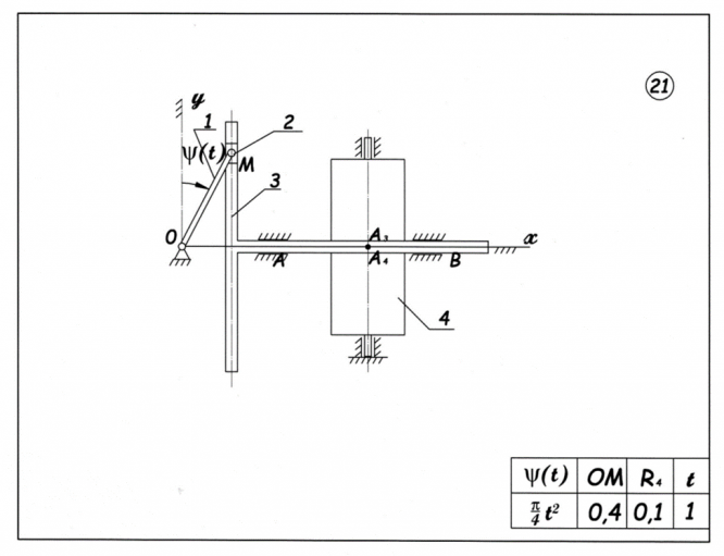
Условие:
В первой части задания нужно исследовать движение точки M и определить основные характеристики этого движения.Требуется:
1) по заданному движению механизма (см. варианты заданий) получить
уравнения движения точки M координатным способом (в декартовой или полярной системе координат, указанной на схеме варианта);
2) определить траекторию движения точки M.
Для момента времени t = t1
3) найти скорость и ускорение точки M
4) определить проекции скорости и ускорение точки M на оси декартовой системы координат
5) найти касательную и нормальную , составляющие ускорения, радиус кривизны ρ траектории в данном положении точки М
6) найти радиальные и трансверсальные составляющие скорости и ускорения точки M. Начало полярной системы координат нужно поместить в начало декартовой, направив полярную ось по оси Ox;
7) в выбранном масштабе выполнить чертеж с изображением траектории движения точки M. На чертеже указать все составляющие скорости и ускорения точки M в момент времени
2. Кинематика простейших движений твердого тела
Во второй части курсового задания требуется:
1) установить вид движения звеньев механизма.
Для момента времени t = t1
2) определить угловые скорости и угловые ускорения звеньев механизма, совершающих вращательное движение, указав на чертеже круговыми стрелками их направления, определить характер движения тел (замедленный или ускоренный);
3) определить скорости и ускорения тел при поступательном движении;
4) для точек контакта тел Ai (i - номер звена) определить скорости, ускорения и изобразить их на схеме механизма в соответствующем масштабе (см.разд. 4).
Характеристики домашнего задания
Предмет
Учебное заведение
Семестр
Номер задания
Вариант
Просмотров
118
Размер
1,55 Mb
Список файлов
Вариант 21 - ДЗ №1 - Кинематика точки и простейших движений твердого тела+.pdf

Друзья, спасибо за доверие! Если вам понравилась работа – поставьте 5⭐ и напишите отзыв. Это поможет другим студентам, а мне даст силы делать ещё больше качественных материалов для вас 🔥