Для студентов МГТУ им. Н.Э.Баумана по предмету Теоретическая механикаКинематика точки и простейших движений твердого телаКинематика точки и простейших движений твердого тела
4,97514380
2022-03-012025-02-07СтудИзба
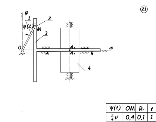
ДЗ 1: Кинематика точки и простейших движений твердого тела вариант 21
-43%
Описание
Характеристики домашнего задания
Предмет
Учебное заведение
Семестр
Номер задания
Вариант
Просмотров
61
Размер
1,37 Mb
Список файлов
Вариант 21 Кинематика точки 177.pdf

Спасибо за покупку! Я буду очень рад, если поставишь справедливую оценку купленному файлу :3 Ищи больше работ в моём профиле, там много нужного тебе!