Для студентов МГТУ им. Н.Э.Баумана по предмету Технология производства наземного оборудованияТехнологический процесс сборки изделия Клапан дренажный и технологический процесс изготовления детали КорпусТехнологический процесс сборки изделия Клапан дренажный и технологический процесс изготовления детали Корпус
4,90547255
2021-04-302024-09-03СтудИзба
Курсовая работа: Технологический процесс сборки изделия Клапан дренажный и технологический процесс изготовления детали Корпус
-41%
Описание
Курсовая работа по технологии производства наземного оборудования на тему «Технологический процесс изготовления детали «Корпус», Технологический процесс сборки изделия «Клапан дренажный»»
Дренажный клапан предназначен для автоматического открытия/закрытия дренажной линии при срабатывании сигнального клапана.
Служебное назначение детали
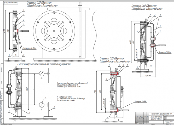
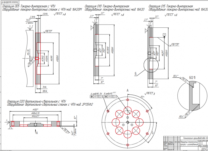
Деталь «Корпус» – это изделие сложной конфигурации типа фланец с пятнадцатью сквозными отверстиями 15 и 5, семь из которых 5 предназначены для размещения винтов М5. Корпус входит в состав дренажного клапана и относится к группе опорных деталей. Положение корпуса в дренажном клапане определяет расположение других деталей сборки. Положение крышки в сборе и прокладки устанавливается за счет болтов, соединяющих манжету с корпусом и крышку в сборе с корпусом соответственно.
Дренажный клапан предназначен для автоматического открытия/закрытия дренажной линии при срабатывании сигнального клапана.
Служебное назначение детали
Деталь «Корпус» – это изделие сложной конфигурации типа фланец с пятнадцатью сквозными отверстиями 15 и 5, семь из которых 5 предназначены для размещения винтов М5. Корпус входит в состав дренажного клапана и относится к группе опорных деталей. Положение корпуса в дренажном клапане определяет расположение других деталей сборки. Положение крышки в сборе и прокладки устанавливается за счет болтов, соединяющих манжету с корпусом и крышку в сборе с корпусом соответственно.






Файлы условия, демо
Характеристики курсовой работы
Учебное заведение
Просмотров
41
Размер
1,37 Mb
Список файлов
Технологический процесс сборки изделия Клапан дренажный и технологический процесс изготовления детали Корпус
1.PNG
Лист 1.pdf
Лист 2.pdf
Лист 3 Маршрутный технологический процесс изготовления.pdf
Лист 4 Эскизы технологического процесса.pdf
Лист 5 Операционные эскизы обработки корпуса.pdf
РПЗ.pdf

Друзья, спасибо за доверие! Если вам понравилась работа – поставьте 5⭐ и напишите отзыв. Это поможет другим студентам, а мне даст силы делать ещё больше качественных материалов для вас 🔥