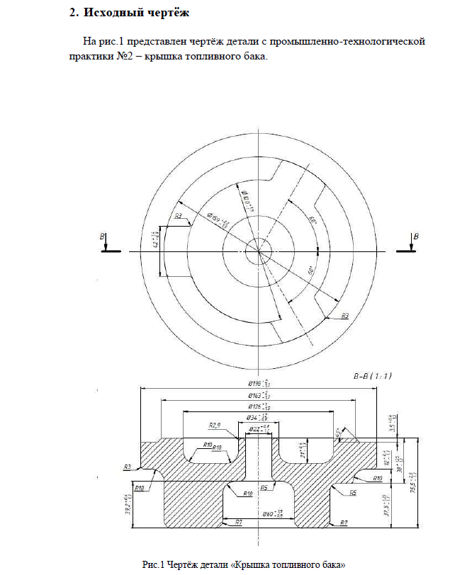
Для студентов МГТУ им. Н.Э.Баумана по предмету Технология обработки и модификация новых материаловВыбор технологии обработки и оптимизации детали "Крышка топливного бака"Выбор технологии обработки и оптимизации детали "Крышка топливного бака"
5,0051
2021-05-282021-05-28СтудИзба
Курсовая работа: Выбор технологии обработки и оптимизации детали "Крышка топливного бака"
Описание
Характеристики курсовой работы
Учебное заведение
Семестр
Просмотров
22
Размер
899,96 Kb
Список файлов
Выбор технологии обработки и оптимизации детали Крышка топливного бака.pdf

НОВИНКА: отчеты по практикам! Поиск - по названию предприятия в тэге. База учебных материалов МГТУ им. Н.Э. Баумана в формате pdf, оригиналы файлов отсутствуют (если иное не оговорено в описании). Вопросы задавайте ДО покупки в комментариях под файлами.