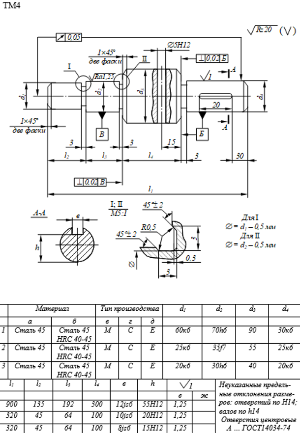
ДЗ: Разработка маршрутного технологического процесса вала вариант 4.3
Новинка
-66%
Описание
- Вариант 3 задание 4 (где d1 = 20k6)

Характеристики домашнего задания
Учебное заведение
Вариант
Программы
Теги
Просмотров
14
Качество
Идеальное компьютерное
Размер
545,86 Kb
Список файлов
ДЗ_ТМ.docx
Удачи в сдаче заданий и зачётов! Успехов!
Комментарии
Нет комментариев
Стань первым, кто что-нибудь напишет!
МГТУ им. Н.Э.Баумана
Author1
















