Для студентов МГТУ им. Н.Э.Баумана по предмету Технология машиностроения (ТМ)Разработка технологических процессов механической обработки детали кулачок базовый для токарного патронаРазработка технологических процессов механической обработки детали кулачок базовый для токарного патрона
4,90546452
2021-03-042024-09-03СтудИзба
ДЗ: Разработка технологических процессов механической обработки детали кулачок базовый для токарного патрона
-66%
Описание
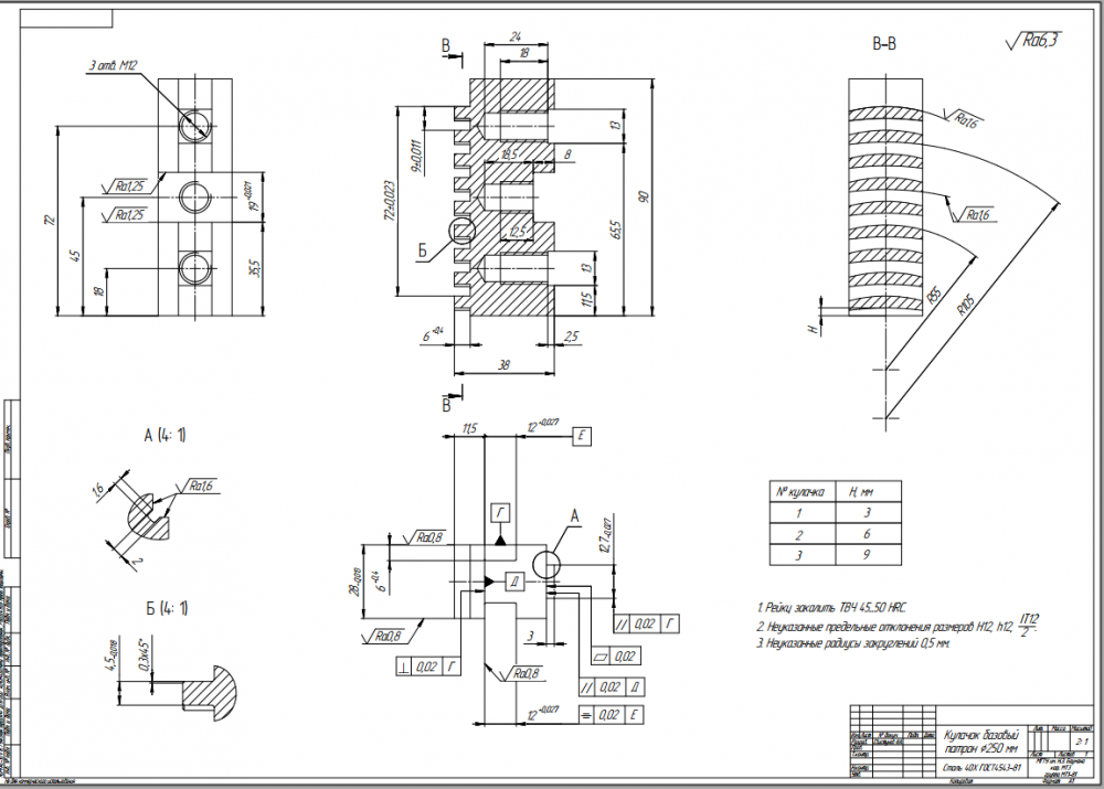
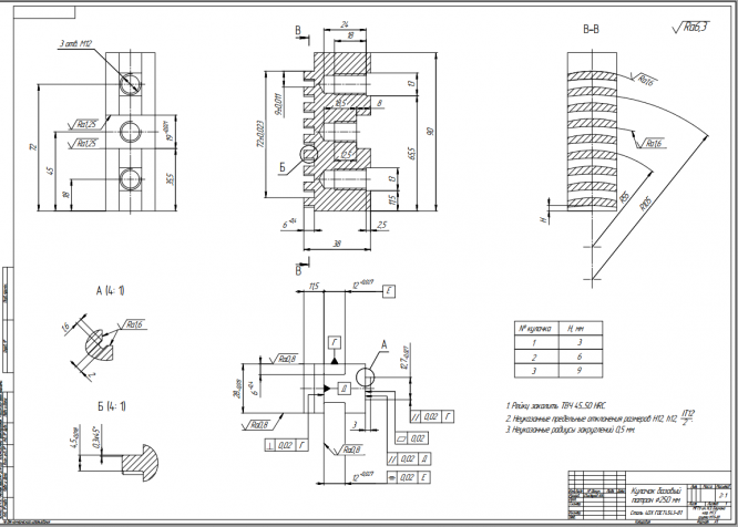
Назначение детали в узле Деталь – кулачок базовый для токарного патрона. Материал – сталь 40Х. Тип производства – серийное. Базовые кулачки являются составной частью токарного патрона и предназначены для установки накладных кулачков, зажимающих заготовку.
![]()


Характеристики домашнего задания
Учебное заведение
Просмотров
124
Размер
555,19 Kb
Список файлов
Разработка технологических процессов механической обработки детали кулачок
Kulachok_bazovy_250.pdf
Marshrutnye_eskizy.pdf
Разработка технологических процессов механической обработки детали кулачок.docx

Друзья, спасибо за доверие! Если вам понравилась работа – поставьте 5⭐ и напишите отзыв. Это поможет другим студентам, а мне даст силы делать ещё больше качественных материалов для вас 🔥