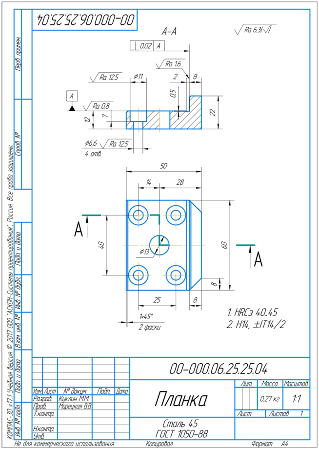
Для студентов МГТУ им. Н.Э.Баумана по предмету Технология машиностроения (ТМ)Разработка маршрутного технологического процесса изготовления детали - ПланкаРазработка маршрутного технологического процесса изготовления детали - Планка
5,0051
2021-01-202021-01-20СтудИзба
ДЗ: Разработка маршрутного технологического процесса изготовления детали - Планка
Описание
Разработка маршрутного технологического процесса изготовления детали

- 1. Анализ технических требований
- 2. Анализ технологичности конструкции детали
- 3. Выбор вида заготовки, метода ее изготовления, проектирование эскиза заготовки
- 4. Разработка маршрутов обработки отдельных поверхностей (для 2 – 3 поверхностей).
- 5. Разработка маршрутного технологического процесса изготовления детали.
Характеристики домашнего задания
Учебное заведение
Просмотров
102
Качество
Идеальное компьютерное
Размер
622,69 Kb
Преподаватели
Список файлов
ДЗ - Разработка маршрутного технологического процесса изготовления детали - Планка.docx

Вам все понравилось? Получите кэшбэк - 40 рублей на Ваш счёт при покупке. Поставьте оценку и напишите положительный комментарий к купленному файлу. После Вы получите деньги на ваш счет.