Для студентов МГТУ им. Н.Э.Баумана по предмету Технология машиностроения (ТМ)Разработка маршрутного технологического процесса изготовления детали - Кольцо резьбовоеРазработка маршрутного технологического процесса изготовления детали - Кольцо резьбовое
4,95529983
2021-01-202021-01-20СтудИзба
ДЗ: Разработка маршрутного технологического процесса изготовления детали - Кольцо резьбовое
Описание
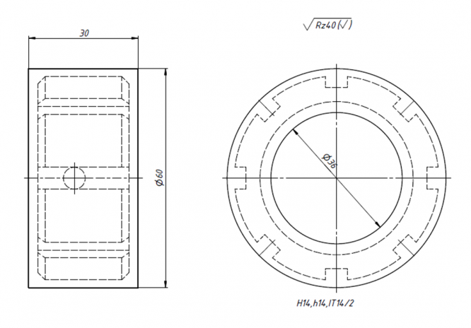
Разработка маршрутного технологического процесса изготовления детали ![]()
- 1. Анализ технических требований
- 2. Анализ технологичности конструкции детали
- 3. Выбор заготовки
- 4. Разработка маршрутов обработки основных поверхностей (2-3 поверхности)
- 5. Разработка маршрутного технологического процесса изготовления резьбового кольца
Характеристики домашнего задания
Учебное заведение
Просмотров
75
Качество
Идеальное компьютерное
Размер
313,09 Kb
Преподаватели
Список файлов
ДЗ - Разработка маршрутного технологического процесса изготовления детали - Кольцо резьбовое.docx

Вам все понравилось? Получите кэшбэк - 40 рублей на Ваш счёт при покупке. Поставьте оценку и напишите положительный комментарий к купленному файлу. После Вы получите деньги на ваш счет.