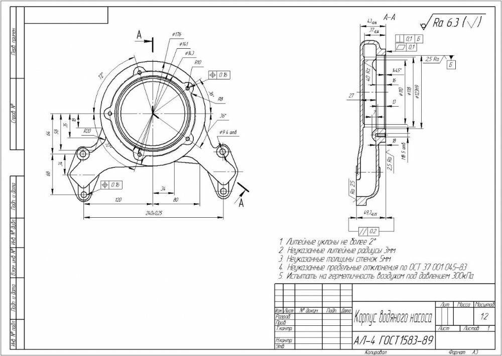
Для студентов МГТУ им. Н.Э.Баумана по предмету Технология машиностроения (ТМ)Корпус водяного насосаКорпус водяного насоса
5,00548
2025-10-132025-10-13СтудИзба
Курсовая работа: Корпус водяного насоса
Новинка
Описание
Полный комплект: РПЗ, маршрутные карты, 2 листа А1 МТП, 2 листа А1 ОТП, 1 лист А1 технологической схемы сборки
![]()


Файлы условия, демо
Характеристики курсовой работы
Учебное заведение
Программы
Просмотров
1
Размер
10,57 Mb
Преподаватели
Список файлов
Корпус водяного насоса
Графическая часть
МТП 1.cdw
МТП 1.pdf
МТП 2.cdw
МТП 2.pdf
ОТП 1.cdw
ОТП 1.pdf
ОТП 2.cdw
ОТП 2.pdf
Технологическая схема сборки.cdw
Технологическая схема сборки.pdf
Приложения
Водяной насос.pdf
Корпус водяного насоса.pdf
Технологические карты
Маршрутная карта сборки.pdf
Маршрутная карта сборки.xlsx
Маршрутная карта.pdf
Маршрутная карта.xlsx
Операционная карта.pdf
Операционная карта.xlsx
Бланк задания.pdf
РПЗ.pdf
Титульный лист.pdf
РПЗ.docx