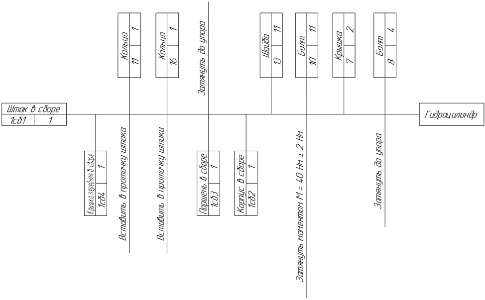
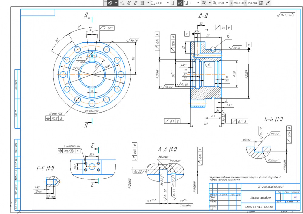
Для студентов МГТУ им. Н.Э.Баумана по предмету Технология машиностроения (ТМ)Технология сборки узла Гидроцилиндр, технология изготовления детали крышка передняяяТехнология сборки узла Гидроцилиндр, технология изготовления детали крышка передняяя
4,86587
2025-07-292025-07-29СтудИзба
Курсовая работа: Технология сборки узла Гидроцилиндр, технология изготовления детали крышка передняяя
Описание
Кафедра "МТ"
Курсовой проект по дисциплине "Технология машиностроения"
На тему: Технология сборки узла "Расточное устройство", технология изготовления детали "Державка"
РПЗ - word, чертежи - КОМПАС 3D
Курсач сдан и защищен с первого раза.
![]()
Курсовой проект по дисциплине "Технология машиностроения"
На тему: Технология сборки узла "Расточное устройство", технология изготовления детали "Державка"
РПЗ - word, чертежи - КОМПАС 3D
Курсач сдан и защищен с первого раза.

Файлы условия, демо
Характеристики курсовой работы
Учебное заведение
Программы
Просмотров
5
Размер
7,96 Mb
Преподаватели
Список файлов
Черного
46.gif
2018-12-14_13-17-26.png
216996z_gc-65111-8603010-foto-0.png
img_56cab7aa779fe.png
Курсач Черного Андрея — копия.cdw
Передняя крышка.cdw
Печать на А1.pdf
Печать на А2.pdf
Печать.cdw
Печать.cdw.bak
РПЗ Черного.docx
для димы.cdw
Черного
46.gif
2018-12-14_13-17-26.png
216996z_gc-65111-8603010-foto-0.png
img_56cab7aa779fe.png
Курсач Черного Андрея — копия.cdw
Передняя крышка.cdw
Печать на А1.pdf
Печать на А2.pdf
Печать.cdw
Печать.cdw.bak
РПЗ Черного.docx
для димы.cdw
Комментарии
Нет комментариев
Стань первым, кто что-нибудь напишет!
МГТУ им. Н.Э.Баумана
vk_154348585

















