Для студентов МГТУ им. Н.Э.Баумана по предмету Технология машиностроения (ТМ)Вал редуктораВал редуктора
4,925244
2025-01-222025-01-22СтудИзба
Курсовая работа: Вал редуктора
Описание
Архив содержит в себе: текстовую часть проекта в ворд и пдф, графическую часть в cdw и пдф, а также маршрутные карты в эксель и пдф.
Графическая часть включает в себя: 1 лист А0 МТП, 1 лист А0 ОТП, 1 лист А1 сборочного тех.процесса
Задание:
Чертежи детали, сборки, а также требуемую структуру проекта приложил в виде файлов ниже.
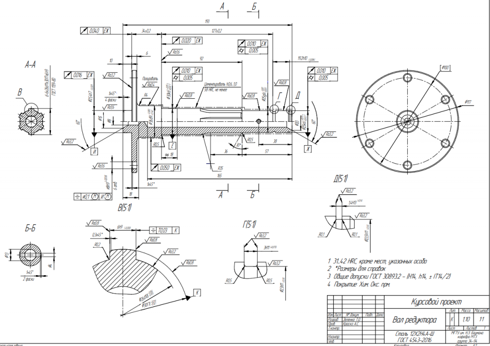
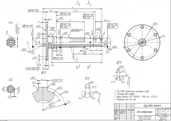
Деталь (в курсовом проекте были внесены небольшие изменения):
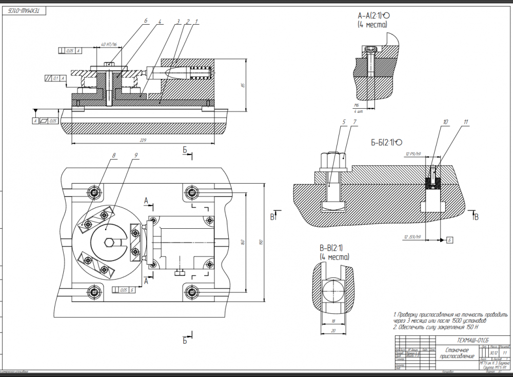
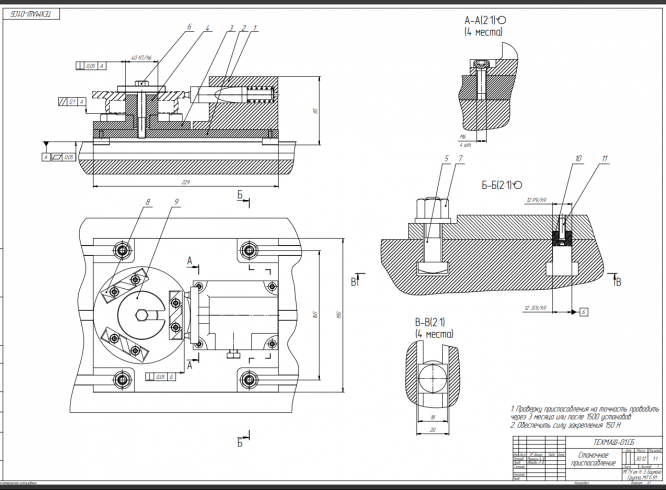
Сборка:
![]()
Графическая часть включает в себя: 1 лист А0 МТП, 1 лист А0 ОТП, 1 лист А1 сборочного тех.процесса
Задание:
Чертежи детали, сборки, а также требуемую структуру проекта приложил в виде файлов ниже.
Деталь (в курсовом проекте были внесены небольшие изменения):
Сборка:
Файлы условия, демо
Характеристики курсовой работы
Учебное заведение
Программы
Просмотров
40
Качество
Идеальное компьютерное
Размер
7,41 Mb
Преподаватели
Список файлов
Графическая часть
Исходный чертеж Вал.cdw
Исходный чертеж Вал.pdf
Исходный чертеж сборки Приспособление.cdw
Исходный чертеж сборки Приспособление.pdf
Исходный чертеж сборки Упор.cdw
Исходный чертеж сборки Упор.pdf
Лист 1 - Тех. процесс сборки .cdw
Лист 1 - Тех. процесс сборки .pdf
Лист 2 - Маршрутный тех. процесс .pdf
Лист 2 - Маршрутный тех. процесс.cdw
Лист 3 - Операционный тех. процесс.cdw
Лист 3 - Операционный тех. процесс.pdf
Спецификация Приспособление.pdf
Спецификация Приспособление.spw
Спецификация Упор.pdf
Спецификация Упор.spw
Приложения
ПРИЛОЖЕНИЕ А Чертеж Станочное приспособление.cdw
ПРИЛОЖЕНИЕ А Чертеж Станочное приспособление.pdf
ПРИЛОЖЕНИЕ Б Спецификация Станочное приспособление.pdf
ПРИЛОЖЕНИЕ Б Спецификация Станочное приспособление.spw
ПРИЛОЖЕНИЕ В Чертеж Упор.cdw
ПРИЛОЖЕНИЕ В Чертеж Упор.pdf
ПРИЛОЖЕНИЕ Г Спецификация Упор.pdf
ПРИЛОЖЕНИЕ Г Спецификация Упор.spw
ПРИЛОЖЕНИЕ Д Чертеж Крышка.cdw
ПРИЛОЖЕНИЕ Д Чертеж Крышка.pdf
ПРИЛОЖЕНИЕ Е Тех. процесс сборки.cdw
ПРИЛОЖЕНИЕ Е Тех. процесс сборки.pdf
ПРИЛОЖЕНИЕ Ж Маршрутная карта сборки приспособления.pdf
Комментарии
Нет комментариев
Стань первым, кто что-нибудь напишет!
МГТУ им. Н.Э.Баумана
alexyloveyou

















