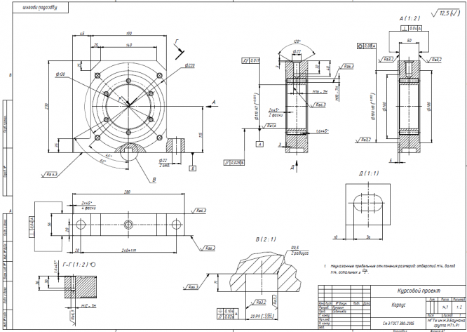
Для студентов МГТУ им. Н.Э.Баумана по предмету Технология машиностроения (ТМ)Проектирование технологического процесса обработки детали "Корпус"Проектирование технологического процесса обработки детали "Корпус"
5,0051
2021-05-202021-05-20СтудИзба
Курсовая работа: Проектирование технологического процесса обработки детали "Корпус"
Описание
Характеристики курсовой работы
Учебное заведение
Просмотров
89
Размер
899,19 Kb
Список файлов
Проектирование технологического процесса обработки детали Корпус (г.м
Корпус.pdf
Приспособление для механической обработки.pdf
Технологический процесс сборки.pdf
Эскизы маршрутного и операционного техпроцесса.pdf
Эскизы маршрутного техпроцесса.pdf
Эскизы операционного техпроцесса.pdf

НОВИНКА: отчеты по практикам! Поиск - по названию предприятия в тэге. База учебных материалов МГТУ им. Н.Э. Баумана в формате pdf, оригиналы файлов отсутствуют (если иное не оговорено в описании). Вопросы задавайте ДО покупки в комментариях под файлами.