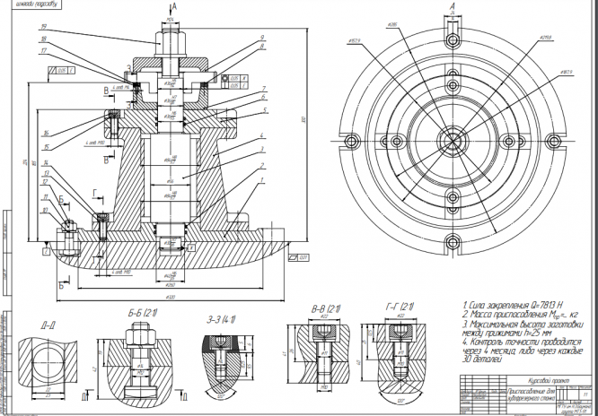
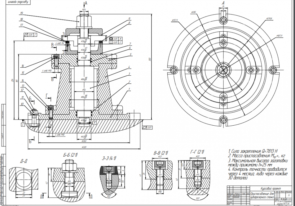
Для студентов МГТУ им. Н.Э.Баумана по предмету Технология машиностроения (ТМ)Проектирование приспособления для фрезерного станкаПроектирование приспособления для фрезерного станка
2021-05-112025-02-23СтудИзба
Курсовая работа: Проектирование приспособления для фрезерного станка
Описание
Характеристики курсовой работы
Учебное заведение
Просмотров
114
Размер
209,74 Kb
Список файлов
Спроектировал приспособление для фрезерного станка.pdf

Друзья, спасибо за доверие! Если вам понравилась работа – поставьте 5⭐ и напишите отзыв. Это поможет другим студентам, а мне даст силы делать ещё больше качественных материалов для вас 🔥