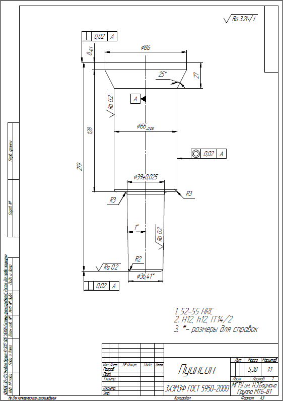
Для студентов МГТУ им. Н.Э.Баумана по предмету Технология машиностроения (ТМ)ДЗ №1 - Изготовление пуансонаДЗ №1 - Изготовление пуансона
4,905153
2020-09-252020-09-25СтудИзба
Курсовая работа: ДЗ №1 - Изготовление пуансона
Описание

Характеристики курсовой работы
Учебное заведение
Просмотров
40
Размер
1,02 Mb
Список файлов
Дз1.docx
МК.PDF
Чертеж пуансона.cdw
Чертеж пуансона.cdw.bak
Чертеж.pdf
Эскизы.frw
Эскизы.frw.bak
Комментарии
Нет комментариев
Стань первым, кто что-нибудь напишет!
МГТУ им. Н.Э.Баумана



















