Для студентов МГТУ им. Н.Э.Баумана по предмету Технология машиностроения (ТМ)Разработка технологических процессов сборки узла «Рамае» и изготовления детали «Шток пневмоцилиндра» Разработка технологических процессов сборки узла «Рамае» и изготовления детали «Шток пневмоцилиндра»
5,0051
2017-12-222017-12-22СтудИзба
Курсовая работа: Разработка технологических процессов сборки узла «Рамае» и изготовления детали «Шток пневмоцилиндра»
Описание
Аннотация
Курсовой проект по курсу: «Технология электронного машиностроения»
выполнен на тему:
«Разработка технологических процессов
Сборки рамы установки травления погружного типа
и изготовления детали шток пневмоцилиндра».
Целью курсового проекта является: проектирование технологических про-цессов сборки узла (рама) и изготовления детали (шток), а также конструирование приспособления для изготовления лысок, а также проектирование измерительных приспособлений, для контроля радиального биения штока.
Данный курсовой проект содержит:
5 листов формата А1, выполненных на ПК с помощью программы Компас-V9-PLUS, со схемами, чертежами и спецификацией, а также расчетно-пояснительную записку, выполненную на ПК на листах формата А4 с использованием среды Word 2007. Расчетно-пояснительная записка содержит 36 страниц, 7 рисунков, 2 таблицы.
В проекте произведен выбор технологического маршрута изготовления де-тали (шток пневмоцилиндра), предложена технология сборки узла (рама), пред-ложена конструкция приспособления для операции 020 вертикально-фрезерная. Разработано контрольно-измерительное приспособление для контроля радиально-го биения.
Курсовой проект по курсу: «Технология электронного машиностроения»
выполнен на тему:
«Разработка технологических процессов
Сборки рамы установки травления погружного типа
и изготовления детали шток пневмоцилиндра».
Целью курсового проекта является: проектирование технологических про-цессов сборки узла (рама) и изготовления детали (шток), а также конструирование приспособления для изготовления лысок, а также проектирование измерительных приспособлений, для контроля радиального биения штока.
Данный курсовой проект содержит:
5 листов формата А1, выполненных на ПК с помощью программы Компас-V9-PLUS, со схемами, чертежами и спецификацией, а также расчетно-пояснительную записку, выполненную на ПК на листах формата А4 с использованием среды Word 2007. Расчетно-пояснительная записка содержит 36 страниц, 7 рисунков, 2 таблицы.
В проекте произведен выбор технологического маршрута изготовления де-тали (шток пневмоцилиндра), предложена технология сборки узла (рама), пред-ложена конструкция приспособления для операции 020 вертикально-фрезерная. Разработано контрольно-измерительное приспособление для контроля радиально-го биения.

Характеристики курсовой работы
Учебное заведение
Просмотров
565
Качество
Идеальное компьютерное
Размер
1014,91 Kb
Список файлов
Разработка технологических процессов сборки узла «Рамае» и изготовления детали «Шток пневмоцилиндра»
1 Технологическая схема сборки.cdw
2 Маршрутные эскизы.cdw
3 Операционные эскизы.cdw
4 Cтаночное приспособление.cdw
5 Измерительные приспособления.cdw
MK_Сборка ножки и гайки.xls
MK_Сборка ножки и стойки.xls
MK_Сборка профиля 20х20-170.xls
MK_Сборка профиля 20х20-290.xls
MK_Сборка профиля 30х30-170.xls
MK_Сборка профиля 30х30-492.xls
MK_Сборка.xls
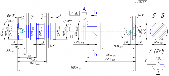
МК Шток Пневмоцилиндра.xls
РПЗ.doc
ЧЕРТЕЖ шток пневмоцилиндраcdw.cdw

Зарабатывай на студизбе! Просто выкладывай то, что так и так делаешь для своей учёбы: ДЗ, шпаргалки, решённые задачи и всё, что тебе пригодилось.
Начать зарабатывать
Начать зарабатывать