Для студентов МГТУ им. Н.Э.Баумана по предмету Технология конструкционных материалов (ТКМ)Механическая обработка заготовок деталей машин - ВтулкаМеханическая обработка заготовок деталей машин - Втулка
5,0051
2025-02-092025-04-27СтудИзба
ДЗ 3: Механическая обработка заготовок деталей машин - Втулка вариант 12
Описание
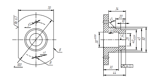
Проектирование технологического процесса изготовления детали «Втулка» обработкой резанием из профиля.
![]()
Характеристики домашнего задания
Учебное заведение
Семестр
Номер задания
Вариант
Программы
Просмотров
77
Качество
Идеальное компьютерное
Размер
759,29 Kb
Преподаватели
Список файлов
ТКМ3.pdf
ткм3.docx
Вопросы
Вопрос
А можно хотя бы чертеж было прикрепить, чтобы понимать какая деталь?
Прошу прощения, добавил
МГТУ им. Н.Э.Баумана


















