Для студентов МГТУ им. Н.Э.Баумана по предмету Технология конструкционных материалов (ТКМ)Разработка технологии изготовления отливок - КатокРазработка технологии изготовления отливок - Каток
4,29516
2023-05-112025-04-22СтудИзба
ДЗ 1: Разработка технологии изготовления отливок - Каток вариант 5
Описание
ДЗ1 по ТКМ из сборника задач по курсу
«ТЕХНОЛОГИЯ КОНСТРУКЦИОННЫХ
МАТЕРИАЛОВ» под редакцией В.П. Ступникова, В.Д. Винокурова
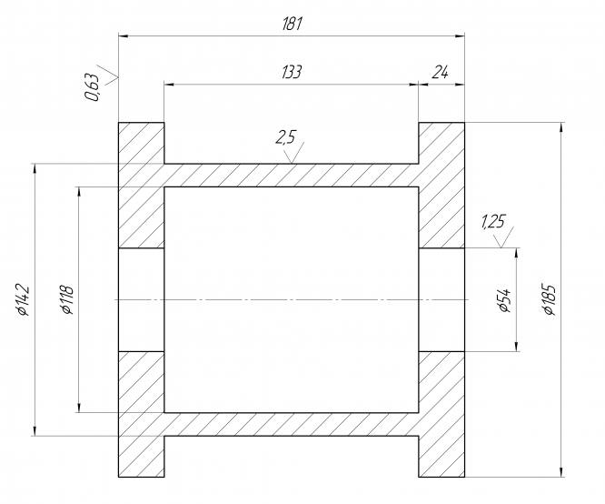
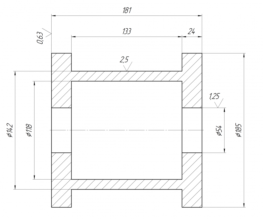
По заданному эскизу детали требуется изобразить форму отливки, определить коэффициент использования материала (КИМ), из нескольких возможных вариантов литья в песчаную форму выбрать наиболее рациональный и для него проработать литейную форму с модельным комплектом.
По заданному чертежу детали был проведен анализ технологичности двух вариантов
расположения отливок ( в том числе рассчет КИМ) и выбор наиболее технологичного. Для
него были разработаны литейная форма, литниковая система и модельный комплект.Показать/скрыть дополнительное описание
«ТЕХНОЛОГИЯ КОНСТРУКЦИОННЫХ
МАТЕРИАЛОВ» под редакцией В.П. Ступникова, В.Д. Винокурова
По заданному эскизу детали требуется изобразить форму отливки, определить коэффициент использования материала (КИМ), из нескольких возможных вариантов литья в песчаную форму выбрать наиболее рациональный и для него проработать литейную форму с модельным комплектом.
По заданному чертежу детали был проведен анализ технологичности двух вариантов
расположения отливок ( в том числе рассчет КИМ) и выбор наиболее технологичного. Для
него были разработаны литейная форма, литниковая система и модельный комплект.Показать/скрыть дополнительное описание
дз ткм мгту .
Характеристики домашнего задания
Учебное заведение
Номер задания
Вариант
Просмотров
219
Качество
Идеальное компьютерное
Размер
7,87 Mb
Список файлов
ТКМ Вариант 5 ДЗ1.pdf
ДЗ ДЗ ДЗ.docx
Деталь _ ТКМ.png
Исходник.png
Чертеж детальки литье 2.jpg
Чертеж с уклонами и разъемом.png
Чертежи для дз по ТКМ.jpg.png
Эскиз литейной формы.png
Эскизы деталек с уклонами.png
вертик отливка с припусками и напуском.png
гориз отливка с припусками.png
диаграмма железо-углерод.png
литниковая система.png
Деталь _ ТКМ.png
Исходник.png
Чертеж детальки литье 2.jpg
Чертеж с уклонами и разъемом.png
Чертежи для дз по ТКМ.jpg.png
Эскиз литейной формы.png
Эскизы деталек с уклонами.png
вертик отливка с припусками и напуском.png
гориз отливка с припусками.png
диаграмма железо-углерод.png
литниковая система.png
Деталь _ ТКМ.png
Исходник.png
Чертеж детальки литье 2.jpg
Чертеж с уклонами и разъемом.png
Чертежи для дз по ТКМ.jpg.png
Эскиз литейной формы.png
Эскизы деталек с уклонами.png
вертик отливка с припусками и напуском.png
гориз отливка с припусками.png
диаграмма железо-углерод.png
литниковая система.png
Комментарии
Нет комментариев
Стань первым, кто что-нибудь напишет!
МГТУ им. Н.Э.Баумана



















