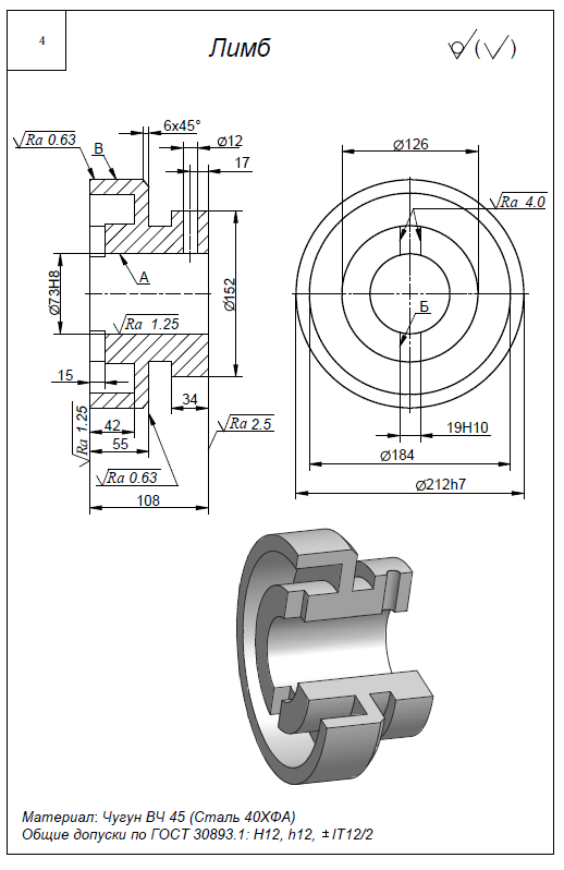
Для студентов МГТУ им. Н.Э.Баумана по предмету Технология конструкционных материалов (ТКМ)Разработка технологии изготовления отливок - ЛимбРазработка технологии изготовления отливок - Лимб
5,0055
2023-02-212023-02-21СтудИзба
ДЗ 1: Разработка технологии изготовления отливок - Лимб вариант 4, 12, 22
Описание
Преподаватель - Морозов В.П. Деталь Лимб, получение детали литьем. ![]()

Файлы условия, демо
Характеристики домашнего задания
Учебное заведение
Номер задания
Просмотров
179
Качество
Идеальное компьютерное
Размер
193,67 Kb
Список файлов
Литье.docx
МГТУ им. Н.Э.Баумана


















