Для студентов МГТУ им. Н.Э.Баумана по предмету Технология конструкционных материалов (ТКМ)Разработка технологии изготовления отливок - НаправляющаяРазработка технологии изготовления отливок - Направляющая
5,0058
2023-02-112023-02-11СтудИзба
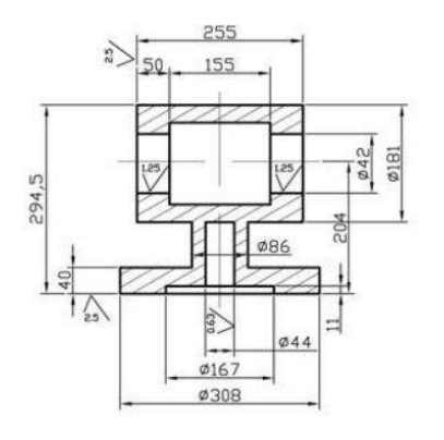
ДЗ 1: Разработка технологии изготовления отливок - Направляющая вариант 19, 30
Описание

Характеристики домашнего задания
Учебное заведение
Номер задания
Просмотров
126
Качество
Идеальное компьютерное
Размер
1,71 Mb
Список файлов
ДЗ№1
MathCAD + AutoCAD (картинки)
Чертеж1.dwg
Справочные материалы
Части сборного PDF-файла
Картинки PDF (из ACAD)
Деталь.pdf
припуск + уклон.pdf
припуск.pdf
Mathcad - Литье_1.pdf
Верхняя.pdf
Модель.pdf
Нижняя.pdf
литейная форма.pdf
титул_БИ.pdf
ТКМ ДЗ_1.pdf
Условие ДЗ.pdf
Условие ДЗ.png
титул.docx
Комментарии
Нет комментариев
Стань первым, кто что-нибудь напишет!
МГТУ им. Н.Э.Баумана

















