ДЗ 3: Механическая обработка заготовок деталей машин - Муфта кулачковая вариант 32
Описание
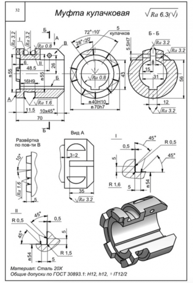
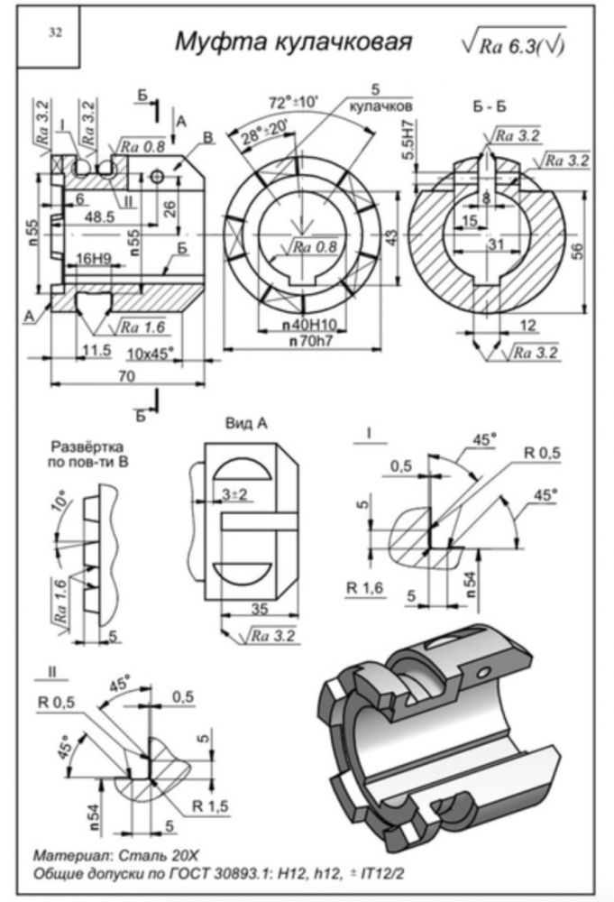
В решении представлены схемы и подробное описание обработки поверхностей А, Б и В, указанные на чертеже в условии, при помощи обработки резанием.
В зип файле находятся модели, чертежи (IPT, DWG и PDF) и расчетно-пояснительная записка (docx и pdf).
Пункт ''Оценка технологичности'' отсутствует.
В зип файле находятся модели, чертежи (IPT, DWG и PDF) и расчетно-пояснительная записка (docx и pdf).
Пункт ''Оценка технологичности'' отсутствует.
Характеристики домашнего задания
Учебное заведение
Номер задания
Вариант
Просмотров
129
Качество
Идеальное компьютерное
Размер
1,02 Mb
Список файлов
за деньги 1
Приложения
Приложение 1.pdf
Приложение 2.pdf
Приложение 3.pdf
Приложение 4.pdf
Приложение 5.pdf
Приложение 6.pdf
IMG_0562.JPG
рпз.docx
рпз.pdf
Комментарии
Нет комментариев
Стань первым, кто что-нибудь напишет!
МГТУ им. Н.Э.Баумана

















