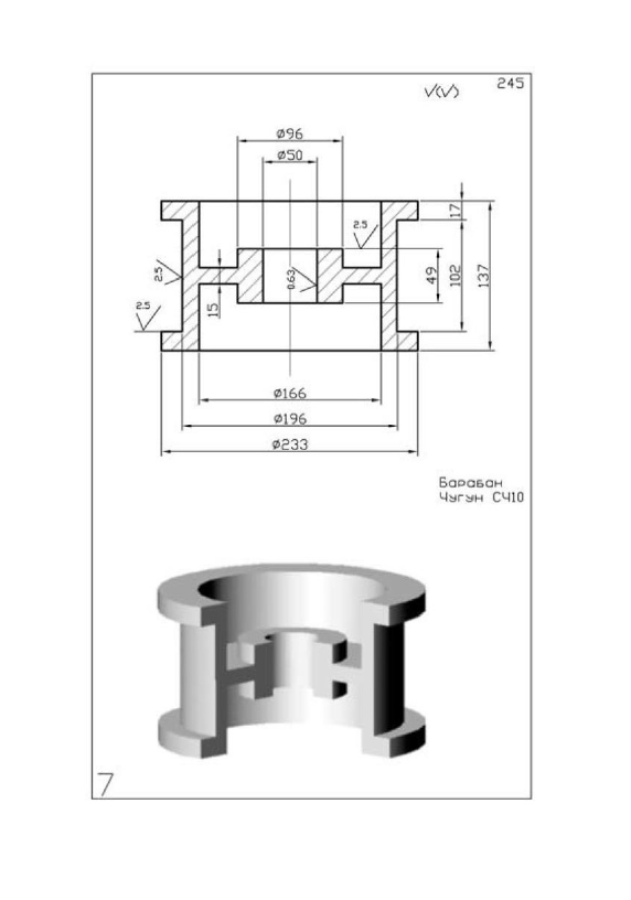
Для студентов МГТУ им. Н.Э.Баумана по предмету Технология конструкционных материалов (ТКМ)Разработка технологии изготовления отливок - БарабанРазработка технологии изготовления отливок - Барабан
5,005171
2021-05-132021-05-13СтудИзба
ДЗ 1: Разработка технологии изготовления отливок - Барабан вариант 7, 9
Описание

Характеристики домашнего задания
Учебное заведение
Номер задания
Просмотров
283
Размер
580,3 Kb
Список файлов
ТКМ 1 7вариант.doc
Комментарии
Отзыв
норм, добавить пару таблиц и все
МГТУ им. Н.Э.Баумана



















