Для студентов МГТУ им. Н.Э.Баумана по предмету Технология конструкционных материалов (ТКМ)Механическая обработка заготовок деталей машин - СтаканМеханическая обработка заготовок деталей машин - Стакан
5,00512
2021-04-182021-05-20СтудИзба
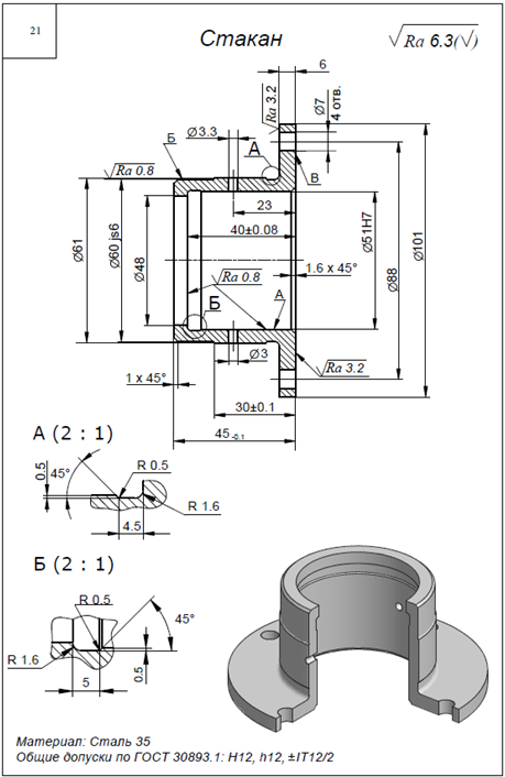
ДЗ 3: Механическая обработка заготовок деталей машин - Стакан вариант 8, 21
Описание
Полностью выполненное и проверенное ДЗ 1 по ТКМ по теме: Обработка резанием. Файл оформлен по всем требованиям кафедры МТ-13. Балл за работу получен максимальный. ![]()

Характеристики домашнего задания
Учебное заведение
Номер задания
Просмотров
215
Качество
Идеальное компьютерное
Размер
252,72 Kb
Список файлов
ДЗ1 ТКМ.docx
Стакан технологичный.pdf
Чертеж стакана.pdf
Комментарии
Нет комментариев
Стань первым, кто что-нибудь напишет!
МГТУ им. Н.Э.Баумана



















