Для студентов МГТУ им. Н.Э.Баумана по предмету Сопротивление материаловСтатически неопределимые задачи изгибаСтатически неопределимые задачи изгиба
4,935562
2019-01-132025-01-22СтудИзба
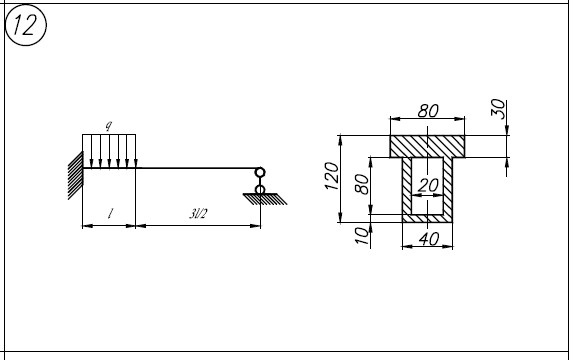
ДЗ 4: Статически неопределимые задачи изгиба вариант 12
-50%
Описание
Файлы условия, демо
Характеристики домашнего задания
Предмет
Учебное заведение
Семестр
Номер задания
Вариант
Просмотров
1298
Качество
Фото рукописных листов
Размер
24,35 Mb
Список файлов
Задача 5-1.pdf
Задача 5-2.pdf
Задача 5-3.pdf

Вам все понравилось? Получите кэшбэк - 40 рублей на Ваш счёт при покупке. Поставьте оценку и напишите положительный комментарий к купленному файлу. После Вы получите деньги на ваш счет.
Комментарии

Отзыв
Минус в том, что пояснений мало

Отзыв
Адекватно