Для студентов МГТУ им. Н.Э.Баумана по предмету Технология конструкционных материалов (ТКМ)Разработка технологии изготовления отливок - СтаканРазработка технологии изготовления отливок - Стакан
4,815131
2021-04-012021-04-01СтудИзба
ДЗ 1: Разработка технологии изготовления отливок - Стакан вариант 2
Описание
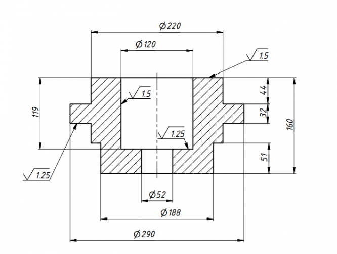
Значения припусков, напусков и т. д. взяты из СБОРНИКА ЗАДАЧ ПО КУРСУ «ТЕХНОЛОГИЯ КОНСТРУКЦИОННЫХ МАТЕРИАЛОВ » под редакцией Ступникова

Характеристики домашнего задания
Учебное заведение
Номер задания
Вариант
Просмотров
258
Качество
Идеальное компьютерное
Размер
499,03 Kb
Список файлов
ДЗ_1_2 вариант.docx
Комментарии

Отзыв
Пришлось немного подправить, но всё типтоп