Для студентов МГТУ им. Н.Э.Баумана по предмету Технология конструкционных материалов (ТКМ)Механическая обработка заготовок деталей машин - ВтулкаМеханическая обработка заготовок деталей машин - Втулка
5,0051
2021-03-302021-03-30СтудИзба
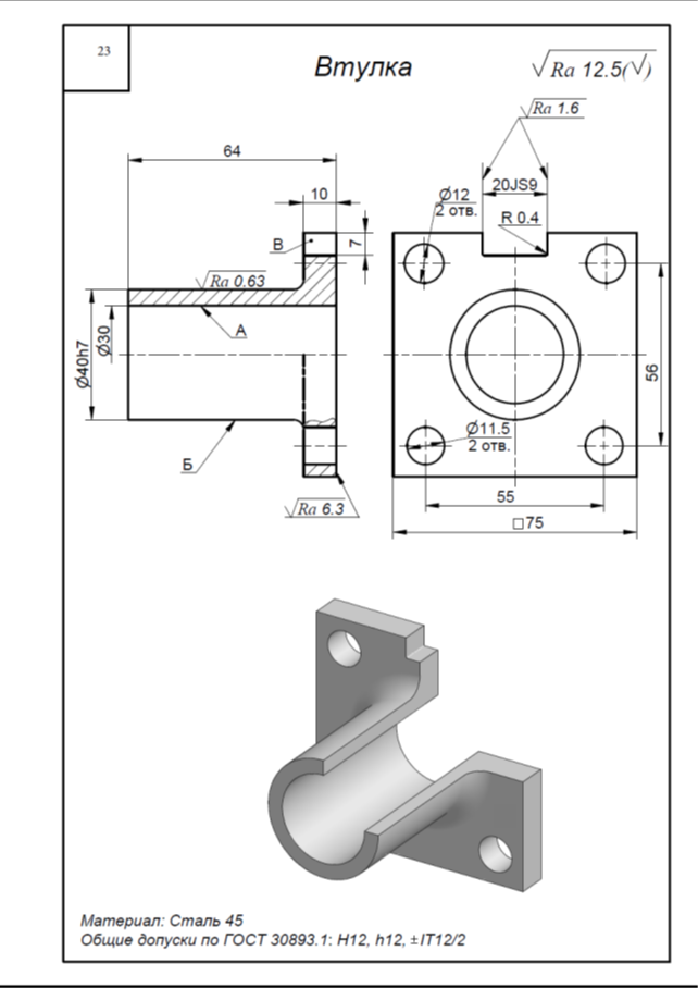
ДЗ 3: Механическая обработка заготовок деталей машин - Втулка вариант 9, 23
Описание

Характеристики домашнего задания
Учебное заведение
Номер задания
Просмотров
202
Размер
362,79 Kb
Список файлов
ТКМ ОР.docx
Комментарии
Нет комментариев
Стань первым, кто что-нибудь напишет!
МГТУ им. Н.Э.Баумана


















