Для студентов МГТУ им. Н.Э.Баумана по предмету Технология конструкционных материалов (ТКМ)Разработка технологии изготовления отливок - ТройникРазработка технологии изготовления отливок - Тройник
3,55511
2021-03-102021-03-10СтудИзба
ДЗ 1: Разработка технологии изготовления отливок - Тройник вариант 12, 19
Описание
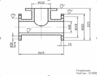
Разработка технологии изготовления отливки из чугуна литьём в песчаные формы ![]()

Характеристики домашнего задания
Учебное заведение
Номер задания
Просмотров
196
Размер
384,03 Kb
Список файлов
ДЗ 1 литье.docx
Отзывы
Отзыв
вообще основного не. в бесплатном источнике и то больше расписано
МГТУ им. Н.Э.Баумана

















