Для студентов МГТУ им. Н.Э.Баумана по предмету Технология конструкционных материалов (ТКМ)Разработка технологии изготовления отливок - ТягаРазработка технологии изготовления отливок - Тяга
5,0059
2021-02-232024-09-01СтудИзба
ДЗ 1: Разработка технологии изготовления отливок - Тяга вариант 10
-51%
Описание
Содержание
- 1.Анализ чертежа детали
- 2. Выбор метода и способа изготовления заготовки
- 3. Выбор способа изготовления отливок
- 4. Разработка чертежа элементов литейной формы
- 4.1. Уточнение чертежа детали
- 4.2. Выбор расположения модели и отливки в литейной форме
- 4.3. Расчет припуска на механическую обработку
- 4.4. Выбор величины литейных уклонов
- 4.5. Расчет скруглений между пересекающимися поверхностями
- 4.6. Определение числа стержней, их границ
- 4.7. Выбор припуска на усадку
- 4.8. Проектирование литниковой системы
- 4.9. Назначение температуры заливки
- 5. Отработка на технологичность конструкции литой детали «Тяга»
Чертежи
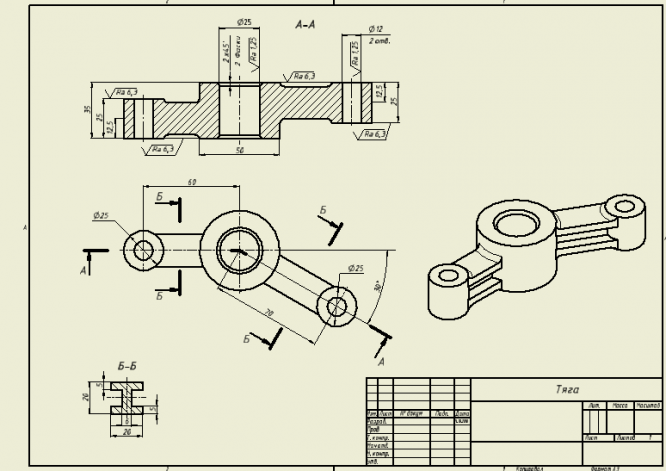
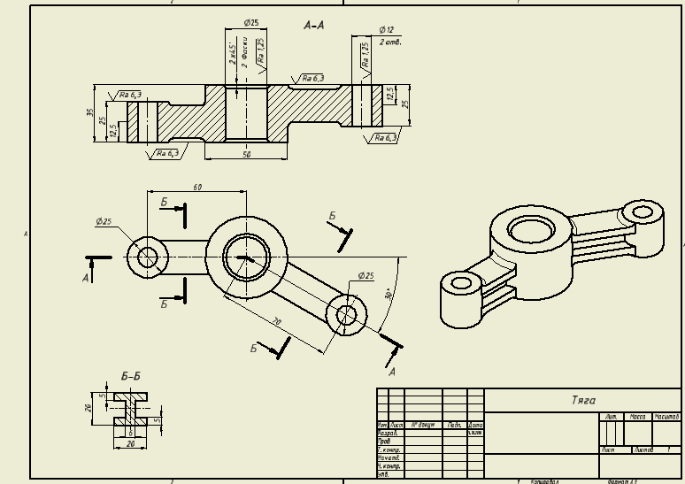
- Исходная деталь - Чертеж и 3D-модель
- Отливка
- Литейная форма



Характеристики домашнего задания
Учебное заведение
Номер задания
Вариант
Просмотров
220
Качество
Идеальное компьютерное
Размер
2,56 Mb
Список файлов
Деталь1.dwg
Разработка технологии изготовления отливок - Тяга.docx
3D-модель.ipt
Чертеж.idw
Чертеж (1).dwg
Чертеж (2).dwg
Чертеж (3).dwg
Чертеж (4).dwg
Чертеж (5).dwg

Вам все понравилось? Получите кэшбэк - 40 рублей на Ваш счёт при покупке. Поставьте оценку и напишите положительный комментарий к купленному файлу. После Вы получите деньги на ваш счет.