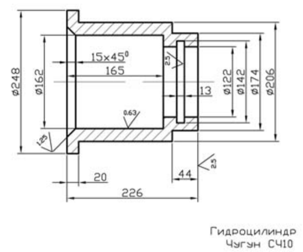
Для студентов МГТУ им. Н.Э.Баумана по предмету Технология конструкционных материалов (ТКМ)Механическая обработка заготовок деталей машин - ГидроцилиндрМеханическая обработка заготовок деталей машин - Гидроцилиндр
5,0051
2020-10-292025-06-13СтудИзба
ДЗ 3: Механическая обработка заготовок деталей машин - Гидроцилиндр вариант 17, 25
Описание

Характеристики домашнего задания
Учебное заведение
Номер задания
Просмотров
175
Размер
199,67 Kb
МГТУ им. Н.Э.Баумана
Karl_Perviy

















