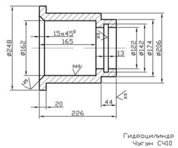
Для студентов МГТУ им. Н.Э.Баумана по предмету Технология конструкционных материалов (ТКМ)Разработка технологии изготовления отливок - ГидроцилиндрРазработка технологии изготовления отливок - Гидроцилиндр
5,005131
2020-10-292025-06-13СтудИзба
ДЗ 1: Разработка технологии изготовления отливок - Гидроцилиндр вариант 17, 25
Описание

Характеристики домашнего задания
Учебное заведение
Номер задания
Просмотров
259
Размер
961,92 Kb
Список файлов
17 вариант литье.docx
Комментарии
Отзыв
Хорошее решение проблем
МГТУ им. Н.Э.Баумана
Karl_Perviy



















