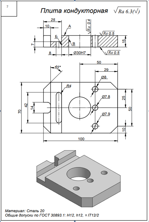
Для студентов МГТУ им. Н.Э.Баумана по предмету Технология конструкционных материалов (ТКМ)Механическая обработка заготовок деталей машин - Плита кондукторнаяМеханическая обработка заготовок деталей машин - Плита кондукторная
5,0052
2020-05-302020-05-30СтудИзба
ДЗ 3: Механическая обработка заготовок деталей машин - Плита кондукторная вариант 7
Описание

Характеристики домашнего задания
Учебное заведение
Номер задания
Вариант
Просмотров
214
Размер
502,5 Kb
Список файлов
ДЗ ТКМ.doc
Комментарии
Нет комментариев
Стань первым, кто что-нибудь напишет!
МГТУ им. Н.Э.Баумана
vk_132010967



















