Для студентов МГТУ им. Н.Э.Баумана по предмету Технология конструкционных материалов (ТКМ)Механическая обработка заготовок деталей машин - Плита кондукторнаяМеханическая обработка заготовок деталей машин - Плита кондукторная
5,005121
2019-05-312024-09-01СтудИзба
ДЗ 3: Механическая обработка заготовок деталей машин - Плита кондукторная вариант 7, 23
-51%
Описание
Содержание
Задача №1- Анализ исходных данных
- Выбор способа обработки
- Выберем вид заготовки
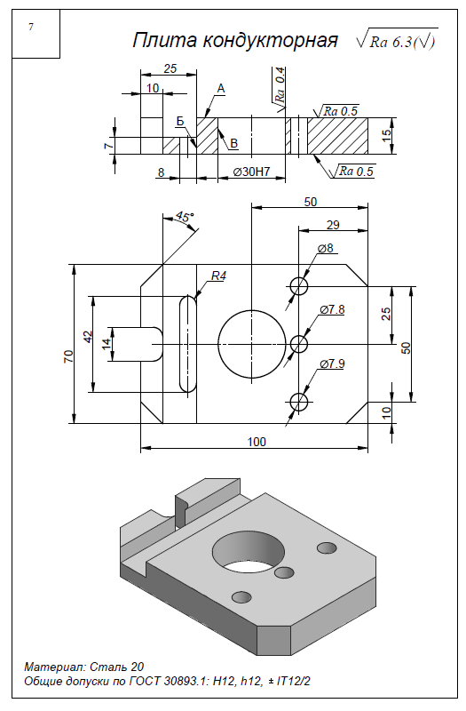
Оценка технологичности конструкции детали (рис. 1).
Учитывая типовые правила проектирования деталей машин, а также условия обработки поверхностей заданной детали, предлагаются следующие рекомендации по улучшению технологичности конструкции:

Характеристики домашнего задания
Учебное заведение
Номер задания
Программы
Просмотров
995
Качество
Идеальное компьютерное
Размер
1,98 Mb
Список файлов
Механическая обработка заготовок деталей машин - Плита кондукторная.docx

Вам все понравилось? Получите кэшбэк - 40 рублей на Ваш счёт при покупке. Поставьте оценку и напишите положительный комментарий к купленному файлу. После Вы получите деньги на ваш счет.
Комментарии

Отзыв
Красава респект