Для студентов МГТУ им. Н.Э.Баумана по предмету Технология конструкционных материалов (ТКМ)Механическая обработка заготовок деталей машин - ФланецМеханическая обработка заготовок деталей машин - Фланец
5,00533
2021-02-232024-09-01СтудИзба
ДЗ 3: Механическая обработка заготовок деталей машин - Фланец вариант 16, 22
Бестселлер
-51%
Описание
Содержание
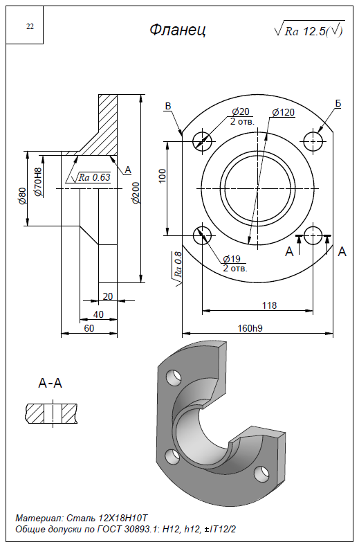
Задача №1. Для поверхностей А, Б, В, указанных на чертеже, выбрать методы и способы их обработки согласно требованиям к точности размеров и шероховатости поверхности, установленным рабочим чертежом детали. С учетом типа производства или объема выпуска детали для выбранных способов обработки указанных поверхностей назначить и обосновать тип оборудования, режущий инструмент, изобразить схемы рациональной обработки этих поверхностей, начиная с исходной заготовки.
- 1.Анализ исходных данных.
- 2. Выбор способа обработки.
- 3. Выберем вид заготовки.
- 4. Технология обработки поверхностей
- Обработка поверхности А
- Обработка поверхности Б
- Обработка поверхности В
Начертить чертеж измененной конструкции детали.
Характеристики домашнего задания
Учебное заведение
Номер задания
Программы
Просмотров
575
Качество
Идеальное компьютерное
Размер
693,37 Kb
Список файлов
Механическая обработка деталей машин - Фланец.docx
(1).JPG
(2).JPG
(3).JPG
(4).JPG

Вам все понравилось? Получите кэшбэк - 40 рублей на Ваш счёт при покупке. Поставьте оценку и напишите положительный комментарий к купленному файлу. После Вы получите деньги на ваш счет.