Для студентов МГТУ им. Н.Э.Баумана по предмету Технология конструкционных материалов (ТКМ)Механическая обработка заготовок деталей машин - ВтулкаМеханическая обработка заготовок деталей машин - Втулка
2016-06-182016-06-18СтудИзба
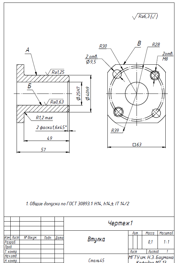
ДЗ 3: Механическая обработка заготовок деталей машин - Втулка вариант 4
Описание

Характеристики домашнего задания
Учебное заведение
Номер задания
Вариант
Просмотров
1173
Размер
250,91 Kb
Список файлов
Комментарии
Нет комментариев
Стань первым, кто что-нибудь напишет!
МГТУ им. Н.Э.Баумана
oldguardian


















