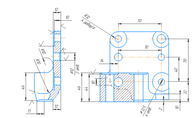
Для студентов МГТУ им. Н.Э.Баумана по предмету Технология конструкционных материалов (ТКМ)Кронштейн крепления силового агрегатаКронштейн крепления силового агрегата
5,0056
2023-03-272023-03-27СтудИзба
ДЗ 1: Кронштейн крепления силового агрегата вариант 4
-13%
Описание
Характеристики домашнего задания
Учебное заведение
Номер задания
Вариант
Просмотров
96
Качество
Идеальное компьютерное
Размер
800,24 Kb
Список файлов
DZ_2_Кронштейн.pdf
Отзывы
Отзыв
Все гуд - Бекаев с первого раза принял
МГТУ им. Н.Э.Баумана


















