Для студентов МГТУ им. Н.Э.Баумана по предмету Технология конструкционных материалов (ТКМ)Механическая обработка заготовок деталей машин - Колесо зубчатоеМеханическая обработка заготовок деталей машин - Колесо зубчатое
5,00513
2015-11-102024-09-01СтудИзба
ДЗ 3: Механическая обработка заготовок деталей машин - Колесо зубчатое вариант 11, 21
-51%
Описание
Содержание
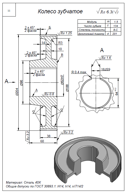
Задача №1.- 1. Анализ исходных данных.
- 2. Выбор способа обработки.
- 3. Выбор вида заготовки.
- 4. Условие технической реализации обработки поверхностей.
- Поверхность А.
- Поверхность Б
- Поверхность В.
- Оценка технологичности конструкции детали.
Характеристики домашнего задания
Учебное заведение
Номер задания
Программы
Просмотров
1113
Качество
Идеальное компьютерное
Размер
269 Kb
Список файлов
Механическая обработка заготовок деталей машин - Колесо зубчатое.doc

Вам все понравилось? Получите кэшбэк - 40 рублей на Ваш счёт при покупке. Поставьте оценку и напишите положительный комментарий к купленному файлу. После Вы получите деньги на ваш счет.