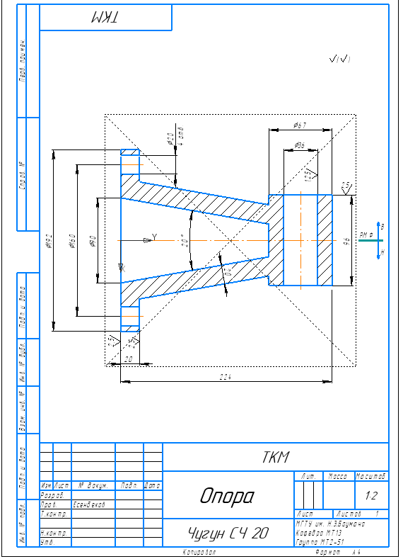
Для студентов МГТУ им. Н.Э.Баумана по предмету Технология конструкционных материалов (ТКМ)Разработка технологии изготовления отливок - ОпораРазработка технологии изготовления отливок - Опора
5,00529
2015-04-152024-09-01СтудИзба
ДЗ 1: Разработка технологии изготовления отливок - Опора вариант 10, 15
Бестселлер
-51%
Описание
Содержание
- Анализ чертежа детали.
- Выбор метода и способа изготовления заготовки.
- Разработка чертежа элементов литейной формы. Уточнение
- Выбор и расположение модели и отливки в форме.
- Расчёт припуска на механическую обработку.
- Выберем величину формовочных уклонов.
- Расчёт скруглений между пересекающимися поверхностями.
- Определение количества стержней, их границ и размеров стержневых знаков.
- Выбор припуска на усадку.
- Отработка на технологичность конструкции литой детали «Опора».
Чертежи
- Исходная деталь
- Отливка
- Литейная форма
Характеристики домашнего задания
Учебное заведение
Номер задания
Программы
Просмотров
1910
Качество
Идеальное компьютерное
Размер
251,57 Kb
Список файлов
Разработка технологии изготовления литых заготовок
Part10.stp
Разработка технологии изготовления литых заготовок.docx
Чертеж детали.cdw
Чертеж литейной формы.cdw
Чертеж модельно-литейных указаний.cdw

Вам все понравилось? Получите кэшбэк - 40 рублей на Ваш счёт при покупке. Поставьте оценку и напишите положительный комментарий к купленному файлу. После Вы получите деньги на ваш счет.