Для студентов МГТУ им. Н.Э.Баумана по предмету Технология конструкционных материалов (ТКМ)Механическая обработка заготовок деталей машин - ВтулкаМеханическая обработка заготовок деталей машин - Втулка
2013-10-202013-10-20СтудИзба
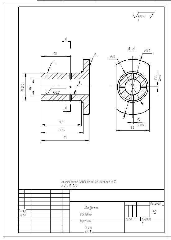
ДЗ 3: Механическая обработка заготовок деталей машин - Втулка вариант 12
Описание

Характеристики домашнего задания
Учебное заведение
Номер задания
Вариант
Просмотров
1944
Размер
209,77 Kb
Список файлов

Зарабатывай на студизбе! Просто выкладывай то, что так и так делаешь для своей учёбы: ДЗ, шпаргалки, решённые задачи и всё, что тебе пригодилось.
Начать зарабатывать
Начать зарабатывать