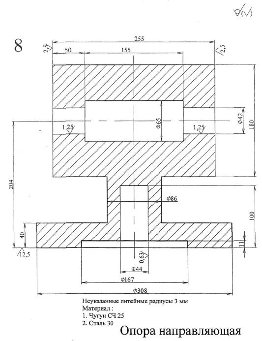
Для студентов МГТУ им. Н.Э.Баумана по предмету Технология конструкционных материалов (ТКМ)Разработка технологии изготовления отливок - Опора направляющаяРазработка технологии изготовления отливок - Опора направляющая
5,0056
2013-10-202024-09-01СтудИзба
ДЗ 1: Разработка технологии изготовления отливок - Опора направляющая вариант 8
-51%
Описание
Содержание
- 1. Анализ чертежа детали
- 2. Выбор метода и способа изготовления заготовки
- 3. Выбор способа изготовления отливок
- 4. Разработка чертежа элементов литейной формы
- 4.1. Выбор расположения модели и отливки в литейной форме
- 4.2. Расчет припуска на механическую обработку
- 4.3. Выбор величин формовочных уклонов
- 4.4. Расчет скруглений между пересекающимися поверхностями
- 4.5. Определение количества стержней, их границ и размеров стержневых знаков
- 4.6. Выбор припуска на усадку
- 4.7. Проектирование литниковых систем
- 4.8. Назначение температуры заливки
- 4.9. Отработка на технологичность
Чертежи
- Отливка
- Литейная форма
Характеристики домашнего задания
Учебное заведение
Номер задания
Вариант
Программы
Просмотров
1722
Качество
Идеальное компьютерное
Размер
109,77 Kb
Список файлов
Разработка технологии изготовления отливок - Опора направляющая
Разработка технологии изготовления отливок - Опора направляющая.xmcd
Чертежи.dwg
Чертежи.frw

Вам все понравилось? Получите кэшбэк - 40 рублей на Ваш счёт при покупке. Поставьте оценку и напишите положительный комментарий к купленному файлу. После Вы получите деньги на ваш счет.