Для студентов МГТУ им. Н.Э.Баумана по предмету Технология конструкционных материалов (ТКМ)Разработка технологии изготовления отливок - Вал ведущийРазработка технологии изготовления отливок - Вал ведущий
5,0056
2013-10-202024-09-01СтудИзба
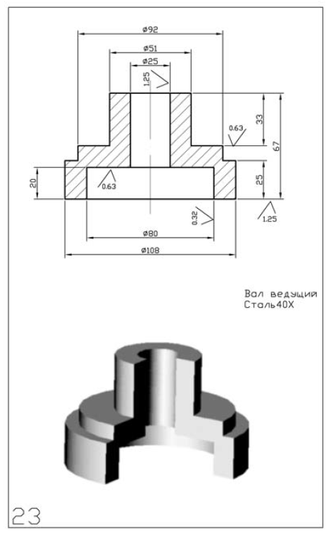
ДЗ 1: Разработка технологии изготовления отливок - Вал ведущий вариант 23
-51%
Описание
Содержание
- Исходные данные
- Анализ
- Расчёт коэффициента использования материала
Чертежи
- Отливка
- Литейная форма
Характеристики домашнего задания
Учебное заведение
Номер задания
Вариант
Программы
Просмотров
1443
Качество
Идеальное компьютерное
Размер
100,94 Kb
Список файлов
Разработка технологии изготовления отливок - Вал ведущий.docx
Литейная форма.pdf
Отливка.pdf

Вам все понравилось? Получите кэшбэк - 40 рублей на Ваш счёт при покупке. Поставьте оценку и напишите положительный комментарий к купленному файлу. После Вы получите деньги на ваш счет.