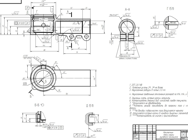
Курсовая работа: Технология покрытия Корпус наконечника тяги рулевого
Описание
Характеристики курсовой работы
Учебное заведение
Просмотров
14
Размер
1,32 Mb
Список файлов
Технология и оборудование нанесения фосфатных покрытий
РПЗ+Листы.pdf
Комментарии
Нет комментариев
Стань первым, кто что-нибудь напишет!


МГТУ им. Н.Э.Баумана

















