Для студентов КГТУ по предмету Технологическое оборудованиеПроектирование специализированного вертикально-фрезерного станкаПроектирование специализированного вертикально-фрезерного станка
5,0056
2023-02-242023-02-24СтудИзба
Курсовая работа: Проектирование специализированного вертикально-фрезерного станка
Описание
Курсовая работа по дисциплине технологическое оборудование и оснастка
Проектирование специализированного вертикально-фрезерного станка
Фрагменты чертежей
Кинематическая схема станка
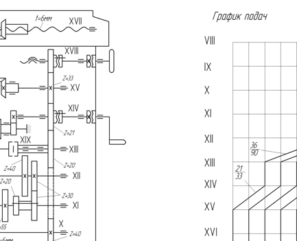
Развертка механизма коробки скоростей
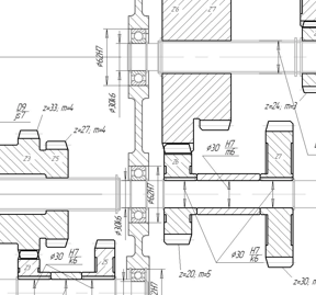
Поперечное сечение коробки скоростей
Эргономическая схема
![]()
Проектирование специализированного вертикально-фрезерного станка
Фрагменты чертежей Кинематическая схема станка
Развертка механизма коробки скоростей
Поперечное сечение коробки скоростей
Эргономическая схема 
Характеристики курсовой работы
Предмет
Учебное заведение
Семестр
Просмотров
12
Размер
5,31 Mb
Список файлов
Курсовой Техн. оборудование и оснастка.doc
1 Кинемат схема.jpg
2 Развертка коробки скоростей.jpg
3 Сечение коробки скоростей 2.jpg
4 Человек 2.jpg
Спецификация.jpg
Комментарии
Нет комментариев
Стань первым, кто что-нибудь напишет!
КГТУ

















