Для студентов ИДДО НИУ «МЭИ» по предмету Техника высоких напряженийПомощь с выполнением - КМ-4.Защита от грозовых перенапряжений. Расчетное заданиеПомощь с выполнением - КМ-4.Защита от грозовых перенапряжений. Расчетное задание
5,00537
2025-05-242025-05-24СтудИзба
Услуга: Помощь с выполнением - КМ-4.Защита от грозовых перенапряжений. Расчетное задание
-25%
Описание
Помогу быстро и качественно выполнить работу КМ-4.Защита от грозовых перенапряжений. Расчетное задание
➡️ Готовые работы по курсу ⬅️
▶️ Другие услуги по курсу ◀️
Задание:
Типовой расчет по дисциплине «Техника высоких напряжений» «ЗАЩИТА ОТКРЫТОГО РАСПРЕДЕЛИТЕЛЬНОГО УСТРОЙСТВА (ОРУ) ПОДСТАНЦИИ»
1. ЗАДАНИЕ НА РАСЧЕТ
1.1. Определить параметры изолирующих подвесок для промежуточных опор воздушных линий (ВЛ), подходящих к ОРУ, и для порталов ОРУ. Расчеты выполнить для обоих классов напряжения. Определить импульсные напряжения перекрытия изоляционных конструкций для каждого расчетного случая.
1.2. Определить параметры контура заземления подстанции (длину и число верти кальных электродов, шаг сетки), обеспечивающие допустимую величину его стационарного сопротивления заземления.
1.3. Построить зависимость импульсного сопротивления контура заземления подстан ции от тока молнии.
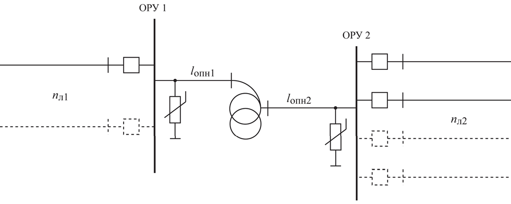
1.4. Рассчитать зависимость максимального напряжения на силовом автотрансформа торе от крутизны фронта набегающей волны, определить длину опасной зоны и защищенно го подхода. Определить ожидаемое число повреждений изоляции оборудования на подстан ции (ОРУ-1 и ОРУ-2, рис. 1) от ударов молнии в ЛЭП в пределах защищенного подхода.
1.5. Расставить на территории ОРУ молниеотводы для защиты электрооборудования от прямых ударов молнии, определив их минимально необходимое число и высоту.
1.6. Определить число повреждений в год изоляции электрооборудования ОРУ от прямых ударов молнии в молниеотводы и прорывов молнии в зону защиты.
1.7. Определить показатель грозоупорности подстанции.
1.8. Предложить методы повышения грозоупорности подстанции
С полным заданием можно ознакомиться ниже (в демо)

➡️ Готовые работы по курсу ⬅️
▶️ Другие услуги по курсу ◀️
Задание:
Типовой расчет по дисциплине «Техника высоких напряжений» «ЗАЩИТА ОТКРЫТОГО РАСПРЕДЕЛИТЕЛЬНОГО УСТРОЙСТВА (ОРУ) ПОДСТАНЦИИ»
1. ЗАДАНИЕ НА РАСЧЕТ
1.1. Определить параметры изолирующих подвесок для промежуточных опор воздушных линий (ВЛ), подходящих к ОРУ, и для порталов ОРУ. Расчеты выполнить для обоих классов напряжения. Определить импульсные напряжения перекрытия изоляционных конструкций для каждого расчетного случая.
1.2. Определить параметры контура заземления подстанции (длину и число верти кальных электродов, шаг сетки), обеспечивающие допустимую величину его стационарного сопротивления заземления.
1.3. Построить зависимость импульсного сопротивления контура заземления подстан ции от тока молнии.
1.4. Рассчитать зависимость максимального напряжения на силовом автотрансформа торе от крутизны фронта набегающей волны, определить длину опасной зоны и защищенно го подхода. Определить ожидаемое число повреждений изоляции оборудования на подстан ции (ОРУ-1 и ОРУ-2, рис. 1) от ударов молнии в ЛЭП в пределах защищенного подхода.
1.5. Расставить на территории ОРУ молниеотводы для защиты электрооборудования от прямых ударов молнии, определив их минимально необходимое число и высоту.
1.6. Определить число повреждений в год изоляции электрооборудования ОРУ от прямых ударов молнии в молниеотводы и прорывов молнии в зону защиты.
1.7. Определить показатель грозоупорности подстанции.
1.8. Предложить методы повышения грозоупорности подстанции

С полным заданием можно ознакомиться ниже (в демо)
Курс Техника высоких напряжений (ИДДО ТВН-Б-4-1-ЗаО)
Голубев Дмитрий Владиславович
Файлы условия, демо
Характеристики домашнего задания
Предмет
Учебное заведение
Номер задания
Теги
Просмотров
10
Качество
Идеальное компьютерное
Срок выполнения
3 суток
Преподаватели

Гарантия сдачи без лишних хлопот! ✅🎓 Ответы на тесты по любым дисциплинам, базы вопросов, работы и услуги для Синергии, МЭИ и других вузов – всё уже готово! 🚀 🎯📚 Гарантия качества – или возврат денег! 💰✅