Для студентов ИрНИТУ по предмету Техника высоких напряженийПеренапряжения и координация изоляцииПеренапряжения и координация изоляции
5,0053264
2025-06-242025-06-24СтудИзба
Курсовая работа: Перенапряжения и координация изоляции
Описание
Исходные данные
Таблица 1 – Исходные данные к типовому расчету
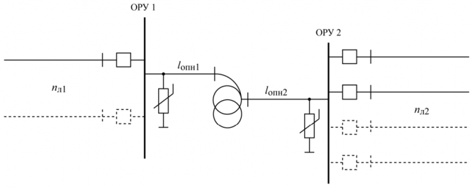
где Uном1 и Uном2 – номинальные напряжения ОРУ1 и ОРУ2 соответственно;
СЗА – степень загрязнения в районе расположения подстанции и воздушных линий;
Fмех – механическая нагрузка на гирлянду изоляторов;
ρ – измеренное при средней влажности почвы удельное сопротивление грунта в районе расположения ОРУ;
D – число грозовых часов в году в районе прохождения линии и расположения подстанции;
a и b – габариты подстанции;
lопн – расстояние от защищаемого объекта до ОПН;
nвл1 и nвл2 – число воздушных линий электропередачи, подходящих к ОРУ1 и ОРУ2;
Таблица 2 – Исходные данные, зависящие от класса напряжения
где lпр – длина пролета воздушных линий;
hx – высота портала ОРУ;
Стр – входная емкость защищаемого оборудования (силового трансформатора);
Uисп.пги – нормированные значения испытательного напряжения полного грозового импульса для силовых трансформаторов;
ΔUк – координационный интервал в процентах от допустимого напряжения.
Задание 1. Определить требуемое число и тип изоляторов в гирляндах ЛЭП, подходящих к ОРУ, и гирлянд на опорах ОРУ. Расчеты выполнить для обоих классов напряжения. Для всех выбранных гирлянд рассчитать импульсные напряжения перекрытия.
Задание 2. Определить параметры контура заземления подстанции (длину и число вертикальных электродов, шаг сетки), обеспечивающие допустимую величину его стационарного заземления.
Задание 3. Построить зависимость импульсного сопротивления контура заземления подстанции от тока молнии.
Задание 4. Рассчитать зависимость максимального напряжения на силовом трансформаторе от крутизны фронта набегающей волны, определить длину опасной зоны и защищенного подхода. Определить ожидаемое число повреждений изоляции оборудования на подстанции (ОРУ-1 и ОРУ-2) от ударов молнии в ЛЭП в пределах защищенного подхода.
Задание 5. Расставить на территории ОРУ молниеотводы для защиты электрооборудования от прямых ударов молнии, определив их минимально необходимое число и высоту.
Задание 6. Определить число повреждений в год изоляции электрооборудования ОРУ от прямых ударов молнии в молниеотводы и прорывов молниезащиты подстанции.
Задание 7. Определить показатель грозоупорности подстанции.
Задание 8. Предложить методы повышения грозоупорности подстанции.
Таблица 1 – Исходные данные к типовому расчету
Uном1/Uном2, кВ | СЗА | Fмех, кН | ρ, Ом·м | D, ч/год | a, м | b, м | lопн1/lопн2, м | nвл1/ nвл2 |
330 / 220 | II | 100 | 120 | 45 | 50 | 90 | 20 / 40 | 2 / 4 |
где Uном1 и Uном2 – номинальные напряжения ОРУ1 и ОРУ2 соответственно;
СЗА – степень загрязнения в районе расположения подстанции и воздушных линий;
Fмех – механическая нагрузка на гирлянду изоляторов;
ρ – измеренное при средней влажности почвы удельное сопротивление грунта в районе расположения ОРУ;
D – число грозовых часов в году в районе прохождения линии и расположения подстанции;
a и b – габариты подстанции;
lопн – расстояние от защищаемого объекта до ОПН;
nвл1 и nвл2 – число воздушных линий электропередачи, подходящих к ОРУ1 и ОРУ2;
Таблица 2 – Исходные данные, зависящие от класса напряжения
Uном, кВ | lпр, м | hх, м | Стр, пФ | Uисп.пги, кВ | ΔUк, % |
220 | 250 | 17 | 2000 | 750 | 40 |
330 | 300 | 20 | 3000 | 950 | 30 |

где lпр – длина пролета воздушных линий;
hx – высота портала ОРУ;
Стр – входная емкость защищаемого оборудования (силового трансформатора);
Uисп.пги – нормированные значения испытательного напряжения полного грозового импульса для силовых трансформаторов;
ΔUк – координационный интервал в процентах от допустимого напряжения.
Задание 1. Определить требуемое число и тип изоляторов в гирляндах ЛЭП, подходящих к ОРУ, и гирлянд на опорах ОРУ. Расчеты выполнить для обоих классов напряжения. Для всех выбранных гирлянд рассчитать импульсные напряжения перекрытия.
Задание 2. Определить параметры контура заземления подстанции (длину и число вертикальных электродов, шаг сетки), обеспечивающие допустимую величину его стационарного заземления.
Задание 3. Построить зависимость импульсного сопротивления контура заземления подстанции от тока молнии.
Задание 4. Рассчитать зависимость максимального напряжения на силовом трансформаторе от крутизны фронта набегающей волны, определить длину опасной зоны и защищенного подхода. Определить ожидаемое число повреждений изоляции оборудования на подстанции (ОРУ-1 и ОРУ-2) от ударов молнии в ЛЭП в пределах защищенного подхода.
Задание 5. Расставить на территории ОРУ молниеотводы для защиты электрооборудования от прямых ударов молнии, определив их минимально необходимое число и высоту.
Задание 6. Определить число повреждений в год изоляции электрооборудования ОРУ от прямых ударов молнии в молниеотводы и прорывов молниезащиты подстанции.
Задание 7. Определить показатель грозоупорности подстанции.
Задание 8. Предложить методы повышения грозоупорности подстанции.
Характеристики курсовой работы
Предмет
Учебное заведение
Просмотров
1
Качество
Идеальное компьютерное
Размер
287 Kb
Список файлов
kontrolnaya_rabota_1_ivanov_esm_24_1.docx

Если нужен другой вариант работы или отдельная задача из любой работы, пишите в комментарии