Для студентов МГТУ им. Н.Э.Баумана по предмету Техническое нормированиеРасчет штучного времениРасчет штучного времени
4,895120
2025-07-282025-07-28СтудИзба
ДЗ: Расчет штучного времени
Описание
Деталь:
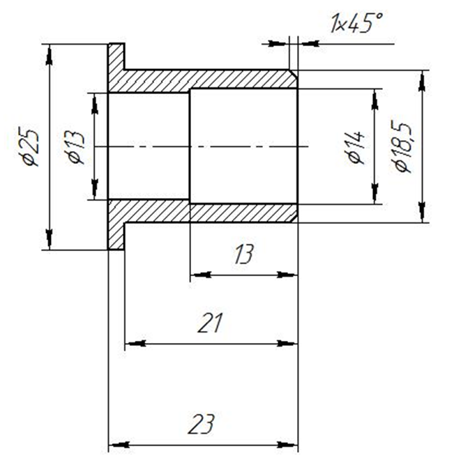
Рисунок 1. Исходная деталь, втулка 2.
Материал: сталь 40Х твёрдость НВ220;
Оборудование: 1К62;
Точность обработки: Н11;
Число деталей в партии: 100 шт.;
Заготовка: отрезанный пруток горячекатаный круглый с номинальным диаметром 27 мм и длиной 24 мм;
Выверки нет;
Масса заготовки: 0,21 кг.
Рисунок 1. Исходная деталь, втулка 2. Материал: сталь 40Х твёрдость НВ220;
Оборудование: 1К62;
Точность обработки: Н11;
Число деталей в партии: 100 шт.;
Заготовка: отрезанный пруток горячекатаный круглый с номинальным диаметром 27 мм и длиной 24 мм;
Выверки нет;
Масса заготовки: 0,21 кг.
Характеристики домашнего задания
Предмет
Учебное заведение
Просмотров
1
Размер
5,53 Mb
Преподаватели
Список файлов
Новая папка
Normirovanie_DZ_1_RKT3-101_Shorin.docx
Operatsionnaya_tekhnologia__Tekhnicheskoe_normirovanie.cdw
Массовое производство (1).pptx
Массовое производство.pptx
Серийное производство.pptx
Чертеж ввиноград.png
Комментарии
Нет комментариев
Стань первым, кто что-нибудь напишет!
МГТУ им. Н.Э.Баумана

vk_154348585


















