Для студентов МГТУ им. Н.Э.Баумана по предмету Сопротивление материаловЗадача 3Задача 3
5,0051
2024-02-292024-11-23СтудИзба
Задача 3 вариант 10
-40%
Описание


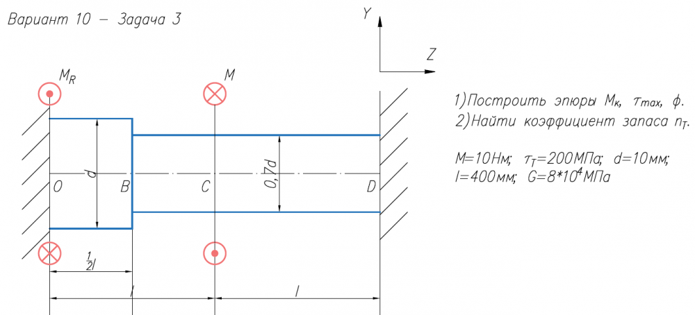
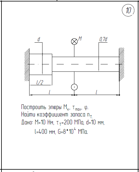
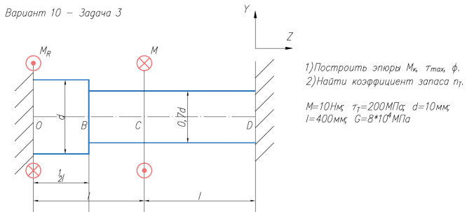
1)Построить эпюры М/к, τ/max, φ. 2)Найти коэффициент запаса n/Т. М=10Нм; τ/Т=200МПа; d=10мм; l=400мм; G=8*104/МПа .
Характеристики решённой задачи
Предмет
Учебное заведение
Семестр
Номер задания
Вариант
Программы
Теги
Просмотров
45
Качество
Идеальное компьютерное
Размер
153,52 Kb
Список файлов
Вариант 10 - Задача 3.pdf

Вам все понравилось? Получите кэшбэк - 40 рублей на Ваш счёт при покупке. Поставьте оценку и напишите положительный комментарий к купленному файлу. После Вы получите деньги на ваш счет.