Для студентов МГТУ им. Н.Э.Баумана по предмету Сопротивление материаловЗадача 1.8Задача 1.8
4,97514518
2023-10-182024-09-04СтудИзба
Вариант 4 - ДЗ-1 "Построение эпюр внутренних силовых факторов"
Задача 1.8 вариант 4
-60%
Описание
Типовой расчет по сопротивлению материалов №1, 1 задача: "Построение эпюр внутренних силовых факторов", зачтено
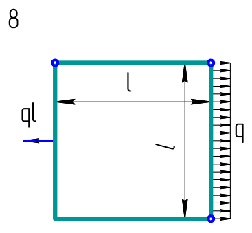
Условие:
Пример оформления:
Показать/скрыть дополнительное описание
Условие:


Типовой расчет по сопротивлению материалов МГТУ 3 семестр домашнее задание кручение сжатие эпюры балки.
Характеристики решённой задачи
Предмет
Учебное заведение
Семестр
Номер задания
Вариант
Теги
Просмотров
6
Качество
Фото рукописных листов
Размер
436,31 Kb
Список файлов
Вариант 4 Задача 1.8 89.pdf

Спасибо за покупку! Я буду очень рад, если поставишь справедливую оценку купленному файлу :3 Ищи больше работ в моём профиле, там много нужного тебе!