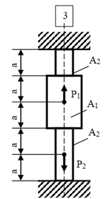
Для студентов по предмету Сопротивление материаловОпределить коэффициент запаса прочности статически неопределимого бруса, работающего на растяжение и сжатиеОпределить коэффициент запаса прочности статически неопределимого бруса, работающего на растяжение и сжатие
5,00552
2023-09-202023-09-20СтудИзба
Задача 2: Определить коэффициент запаса прочности статически неопределимого бруса, работающего на растяжение и сжатие вариант 37
Описание

Файлы условия, демо
Характеристики решённой задачи
Предмет
Номер задания
Вариант
Просмотров
11
Качество
Идеальное компьютерное
Размер
169,28 Kb
Список файлов
Задача 2 вар 37.docx
Комментарии
Нет комментариев
Стань первым, кто что-нибудь напишет!
buldigerov























